使用温控专用集成电路TC620的自动控温电路

📅 发布时间:2013-10-03 09:35 👁️ 浏览:0 🏷️ 标签: 620 TC 温控 专用集成电路

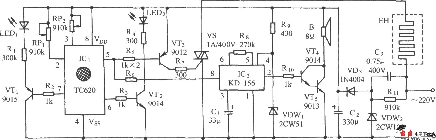
使用温控专用集成电路TC620的自动控温电路

如图所示电路,它由温控传感开关,温度上、下限LED显示电路,可控硅控制电路,模拟声电路和交流降压整流电路等组成。该温控电路可按设定的上、下限温度内进行自动控制,测温精度在±3℃范围内,控温效果理想,还可进行超温指示。

觉得这篇文章有帮助吗?