高湿度暖房玻璃防结露自动排气装置电路

📅 发布时间:2013-10-03 09:20 👁️ 浏览:0 🏷️ 标签: 湿度 排气装置 玻璃 自动

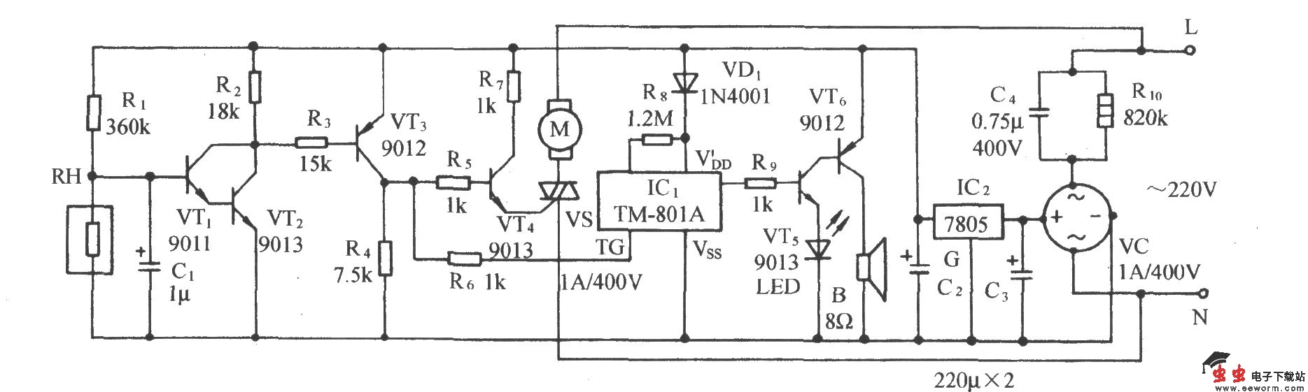
高湿度暖房玻璃防结露自动排气装置电路

如图所示电路,它由结露传感器、电子开关、可控硅驱动排气扇电路、蛙鸣发声电路和供电电路等组成。RH是一个开关型正特性电阻型露点传感器HOS103。

觉得这篇文章有帮助吗?