
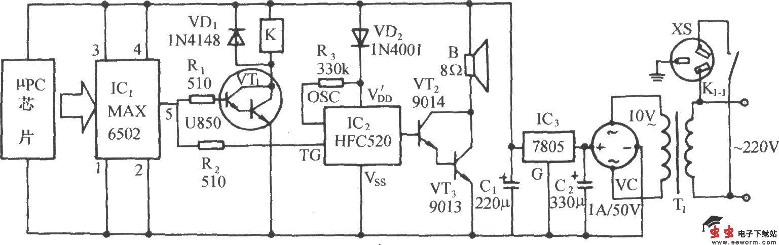
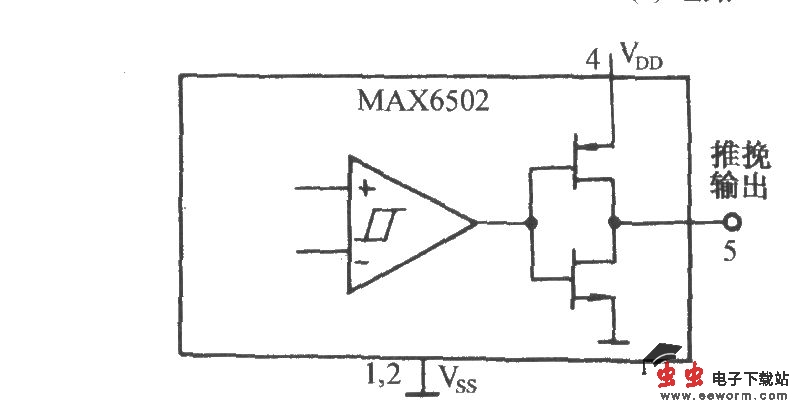
电路如图所示。它由温度监测开关、继电器控制电路、语言电路、音频功放电路和交流降压整流电路等组成。当被监测的物件或机体的温度超过设定的温度时,插座XS得电,插于其上的通风或降温设施运转。同时,发声电路被触发发声,提请注意温度变化。MAX6502是MAXIM公司生产的温度开关系列产品的一种,其内部功能框图与MAX6501基本相同,但它的输出级为推挽输出,下图所示为其功能框图。当检测的温度超过阈值温度时,其输出(TOVER)呈高电平。


电路如图所示。它由温度监测开关、继电器控制电路、语言电路、音频功放电路和交流降压整流电路等组成。当被监测的物件或机体的温度超过设定的温度时,插座XS得电,插于其上的通风或降温设施运转。同时,发声电路被触发发声,提请注意温度变化。MAX6502是MAXIM公司生产的温度开关系列产品的一种,其内部功能框图与MAX6501基本相同,但它的输出级为推挽输出,下图所示为其功能框图。当检测的温度超过阈值温度时,其输出(TOVER)呈高电平。
