
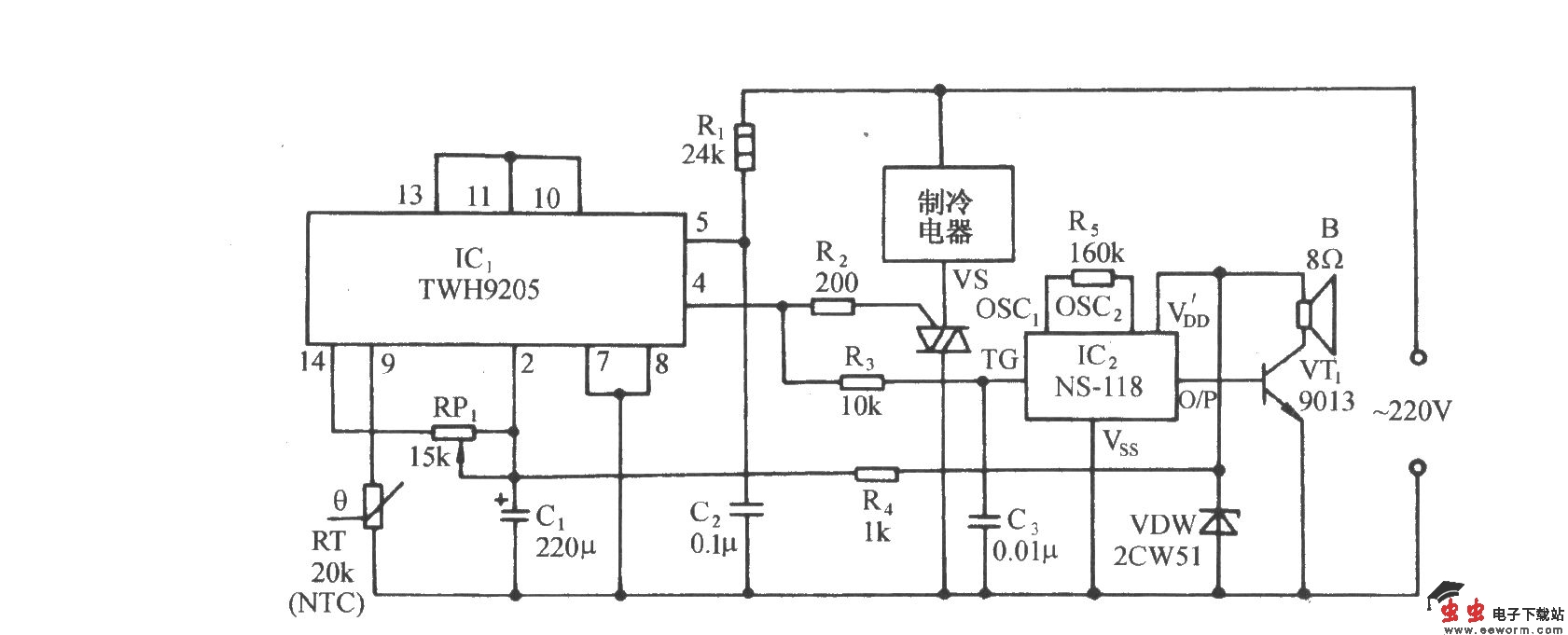
如图所示电路,它由TW9205及其外围元件组成的过零开关控制电路、可控硅驱动制冷控制电路及发声电路等组成。图中的温度传感器RT采用负温度系数(NTC)的热敏电阻,将它接在TWH9205芯片内的差动开关放大器的反相输入端(9脚)上;而差动开关放大器的正相输入端(13脚)与电位钳定端10、11脚相接,即13脚钳定在一个固定电位上。调节RP1值,使在设定的温度范围TWH9205的输出呈低电平,可控硅VS处于截止状态。当热敏电阻RT在温度升高到预定值后,TWH9205内的差动开关放大器的输出状态发生变化,并在交流电源过零时TWH9205的输出端(4脚)转呈高电平,可控硅VS导通,被控电器得电投入运行(制冷)。经过一段的运行,环境温度下降,RT(属NTC型)阻值升高,使集成电路内的差分开关放大器的反相输入端的电压也升高,当电压高于正相输入端的钳位电平时,在交流过零时又转呈低电平,可控硅VS截止,被控电器断电、停止运行。如此循环往返,使被控设备或空间的温度保持在一定的温度范围内。因在差动开关放大器的反相输入端加了NTC型热敏电阻RT,其控温方式为“冷关断式”,常用于空调器、电冰箱及恒温吹风机等的温度控制。