
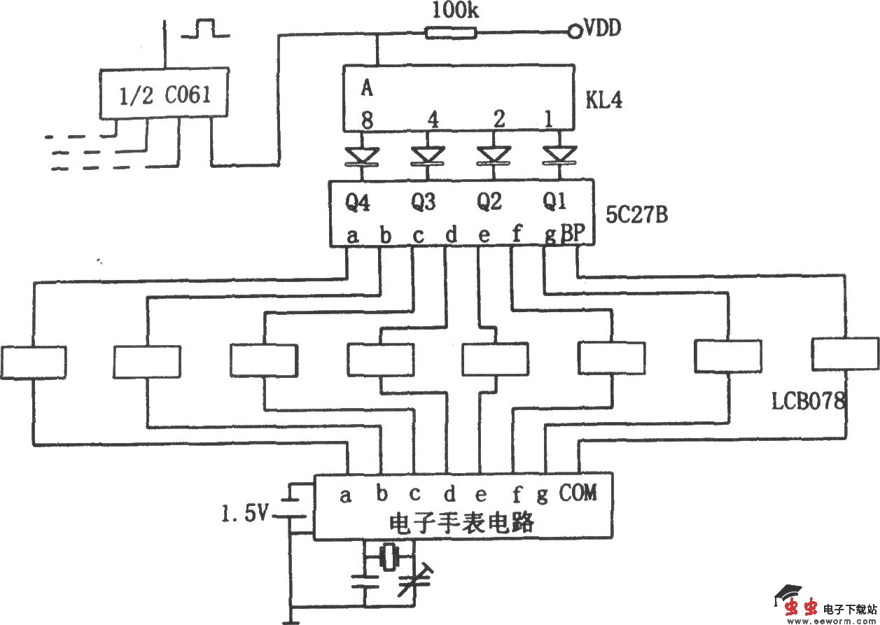
如图所示为家用时间控制电路。该控制器由主计时器(电子表)、接口电路LCB078、5C27B字段/BCD编码器、KL4(8、4、2、1)拨号开关等组成。
电子表的字段信号经接口电路LCB078进行电平提高转换后加至5C27B字段/BCD译码器中,该信号被编成二一十进制BCD码,然后BCD码信号与KL4开关组成的预置时间信号进行比较。当两者一致时,主门电路输出的高电平推动触发器翻转,驱动继电器带动相应负载工作。当两者不一致时,主门电路输出低电平,相应负载将不工作。若需要多次定时,可选用多组拨号开关进行并联使用。每组拨号开关各自设定一个时间后就可在不同的时间控制不同的负载工作。
图中仅画出一位数字示意图。若此位代表秒,则十秒、分、十分、时、十时五位完全雷同。本电路中的电子表应选择静电驱动式的,不能选择扫描驱动式的。