可调式可循环定时控制器(CD4001、CD4017)

📅 发布时间:2013-10-03 01:40 👁️ 浏览:0 🏷️ 标签: CD 4001 4017 可调式

可调式可循环定时控制器(CD4001、CD4017)

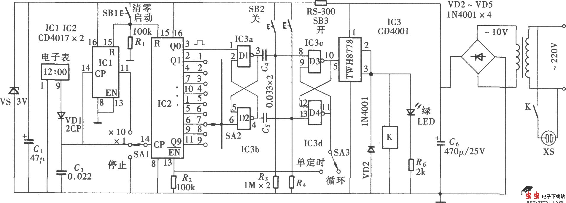
该定时控制器是利用液晶式电子表的“分”信号,取出后通过两级分频电路的组合,形成多挡位多级定时控制功能。它通过控制开关的控制,可组成单定时开、关或自动循环的工作模式。控制时间从l~90min可调。电路组成如图所示。

觉得这篇文章有帮助吗?