可调式多功能定时控制器(CD4011B、CD4040B)

📅 发布时间:2013-10-02 23:55 👁️ 浏览:0 🏷️ 标签: 4011B 4040B CD 4011

可调式多功能定时控制器(CD4011B、CD4040B)

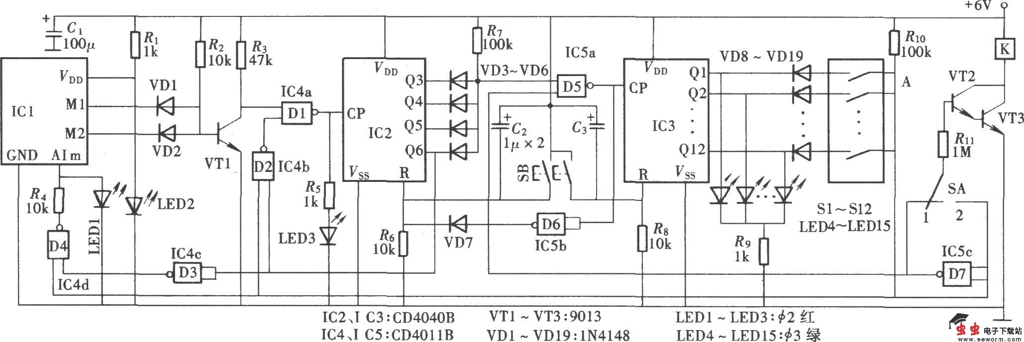
该电路首先通过多级分频将秒时基形成“分”信号,然后再对分信号进行多级分频后,按二进制组合分级输出。通过选择开关的控制,可以预置为定时开或定时关两种工作状态。电路具有较高的控制精度,电路组成如图所示。

觉得这篇文章有帮助吗?