具有定时开、关和自动循环功能的定时器(CD4013、CD4060、CD4017)

📅 发布时间:2013-10-02 22:55 👁️ 浏览:0 🏷️ 标签: CD 4013 4060 4017

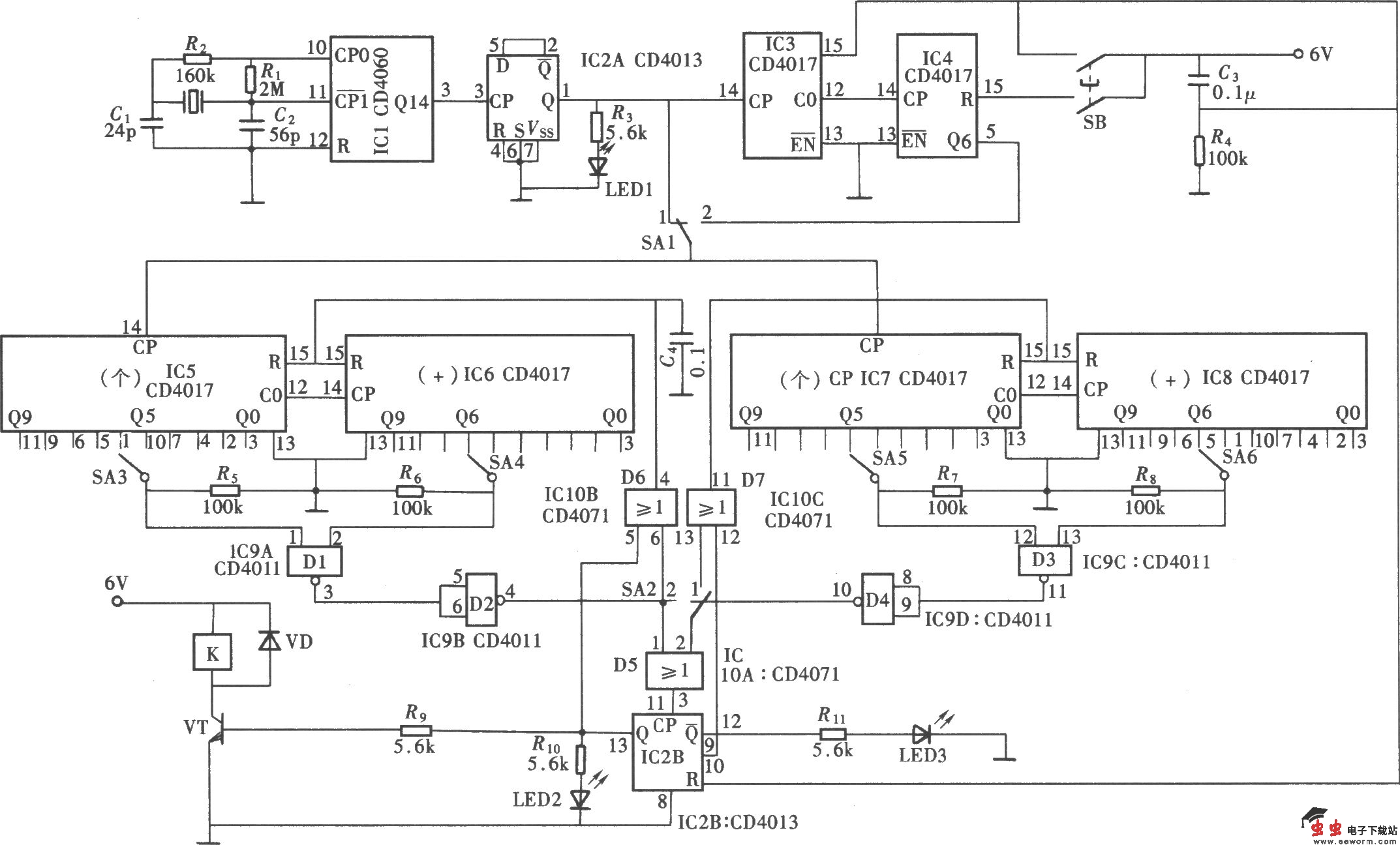
该电路是一例石英晶体型高精度可调式定时器。它通过挡位选择开关进行定时功能选择和定时时间的设定。定时时间设定范围为0~99s或0~99min。电路组成如图所示。全电路由秒时基形成电路、分时基形成电路、定时开机电路、定时关机电路、定时循环控制电路和执行电路组成。

具有定时开、关和自动循环功能的定时器(CD4013、CD4060、CD4017) 

觉得这篇文章有帮助吗?