
笔者维修的游泳池水恒温电加热水器是用太阳热水器和辅助电热水器来恒定游泳池水温的。天晴时,靠太阳能热水器提供热能;天阴下雨时,靠电热水器维持水温。电热水器一共有8个,每个热水器的功率是9kW。为了减轻合闸时的负载,用8只空气开关分别控制8个电热水器。使用时,要开8次空气开关,不用时又要关8次空气开关。空气开关开少了,水温升得慢,关少了,浪费电。为此,我用89C2051制作了一个8路电热水器顺序延时开关控制器,电路如附图所示。
一、电路结构
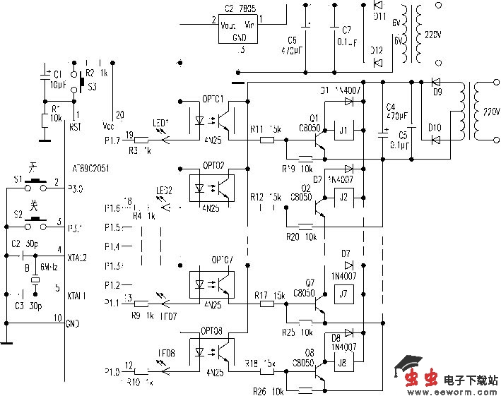
电路由89C2051、光耦4N25、继电器和两组独立的电源组成。P3.0为开机信号输入口,P3.1为关机信号输入口。P1.0~P1.7全部作输出口,有输出时,相应的LED点亮,无输出时,相应的LED熄灭。
二、电路原理
通电后,89C2051复位,P1.0~P1.7所有指示灯灭。P3.0和P3.1置为高电位,检测P3.0口是否有开机信号输入。当S1按下时,开机信号输入P3.0口,经程序防抖动处理确认后,立刻将P1.0口置为低电平,LED8发光二极管亮,OPT08、Q8、J8导通,J8常开触点闭合,接通控制第一路电热水器的交流接触器电源(图中略),使第一路电加热水器开始工作;经过10秒左右的延时,将P1.1口置为低电平,LED7发光二极管亮,OPTO7、Q7、J7导通,J7常开触点闭合,接通控制第二路电加热水器的交流接触器电源,使第二路电加热水器开始工作;以此类推,最后打开第八路电加热水器的电源,至此,一路至八路电热水器都处于工作状态。
此后,单片机检测P3.1口是否有关机信号输入。当S2按下时,关机信号输入P3.1口,经程序防抖动处理确认后,将P1.0口置为高电平,LED8熄灭、OPTO8、Q8、J8截止,J8常开触点断开,控制第一路电加热水器的交流接触器电源,使第一路电加热水器停止工作,经过10秒钟左右延时,把P1.1口置为高电平,LED7熄 灭、OPTO7、Q7、J7截止,J7常开触点断开,控制第二路电加热水器的交流接触器电源,使第二路电加热水器停止工作;同理,最后关闭第八路电加热水器的电源。