触摸式十挡互锁开关控制器电路(CD4069、CD4017)

📅 发布时间:2013-10-02 17:00 👁️ 浏览:4 🏷️ 标签: CD 4069 4017 触摸式

触摸式十挡互锁开关控制器电路(CD4069、CD4017)

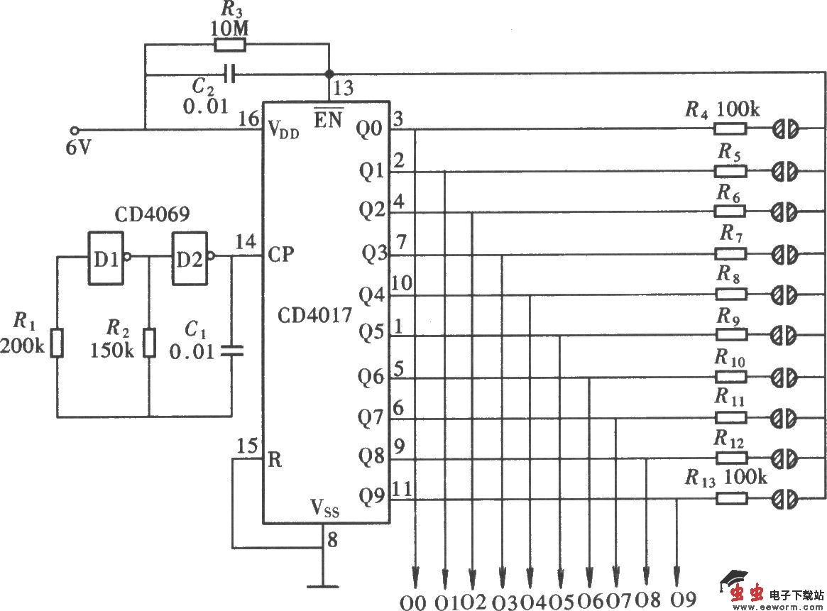
如图所示的触摸式十挡互锁开关控制器主要由十进制计数、脉冲分配器CD4017组成,由六反相器CD4069组成的脉冲发生器向计数器提供计数脉冲,由输出的挡位控制信号作锁闭控制信号。电路组成如图所示,由CD4017组成主要控制电路,它既是十挡控制信号输出电路,又是挡位互锁形成电路。它是利用了该电路在任何情况下只能有一个输出端为高电平的特点而形成互锁关系的。

觉得这篇文章有帮助吗?