
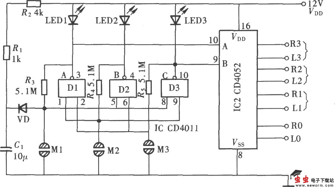
如图是一个结构简单而实用的音源切换开关,它采用触摸式控制,有三个输入通道,电路组成如图所示。它采用一只四-二输入端与非门CD4011和双四路模拟开关CD4052组成。CD4011中的三个门Dl~D3及其相关元件组成三路指触式互锁开关控制器。稳态时,Dl~D3中总有一个门的输出端为低电平,另外两个门的输出端必为高电平。这个输出低电平的门将其输出的低电平,通过反馈电阻R3~R5中的两个相关电阻,加到另外两个门的输入端,使其通过反相后输出高电平,形成互锁的稳态关系。

如图是一个结构简单而实用的音源切换开关,它采用触摸式控制,有三个输入通道,电路组成如图所示。它采用一只四-二输入端与非门CD4011和双四路模拟开关CD4052组成。CD4011中的三个门Dl~D3及其相关元件组成三路指触式互锁开关控制器。稳态时,Dl~D3中总有一个门的输出端为低电平,另外两个门的输出端必为高电平。这个输出低电平的门将其输出的低电平,通过反馈电阻R3~R5中的两个相关电阻,加到另外两个门的输入端,使其通过反相后输出高电平,形成互锁的稳态关系。