四路互锁开关控制器(CD4028)

📅 发布时间:2013-10-02 14:45 👁️ 浏览:4 🏷️ 标签: 4028 CD 互锁开关 控制器

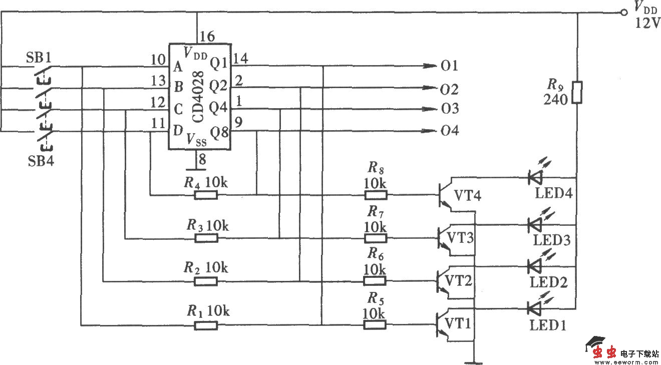
四路互锁开关控制器(CD4028)

如图所示的四路互锁开关控制器采用一只二一十进制译码集成电路CD4028组成。CD4028有四个BCD码输入端,有十个译码输出端。该电路用它的四个特殊输入码,组成一个四路互锁开关控制器,其电路组成如图所示。电路由CD4028与四只按钮输入开关SBl-SB4和四位输出指示电路组成,四个输出端待接控制电路。CD4028为16引脚扁平塑封结构,它的四个输入端为A、B、C、D,十个输出端为Q0~Q9。

觉得这篇文章有帮助吗?