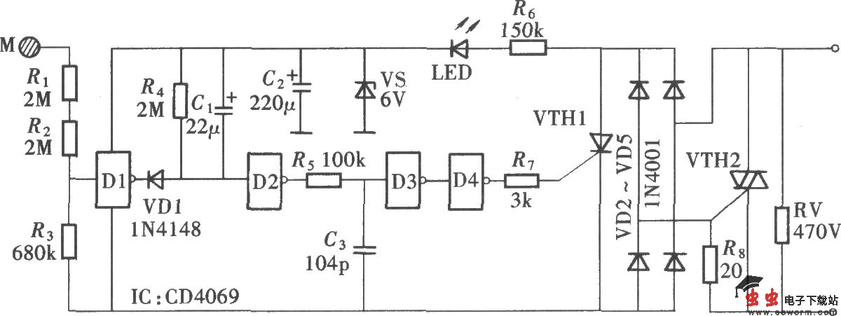
由CD4069组成的触摸式卫生间排气扇延时开关

📅 发布时间:2013-10-02 13:50 👁️ 浏览:1 🏷️ 标签: 4069 CD 触摸式 排气扇

由CD4069组成的触摸式卫生间排气扇延时开关

如图所示的触摸式排气扇延时开关仅用一只CD4069与晶闸管相配合共同组成,它结构简单,制作成本低,经济适用,电路组成如图所示。该电路结构十分简单,将CD4069中的四个反相器串联,中间加入R、C延时电路。将输入端通过高阻值电阻R1、R2连接触摸片M,以最后一级D4的输出端接至晶闸管的触发端。

觉得这篇文章有帮助吗?