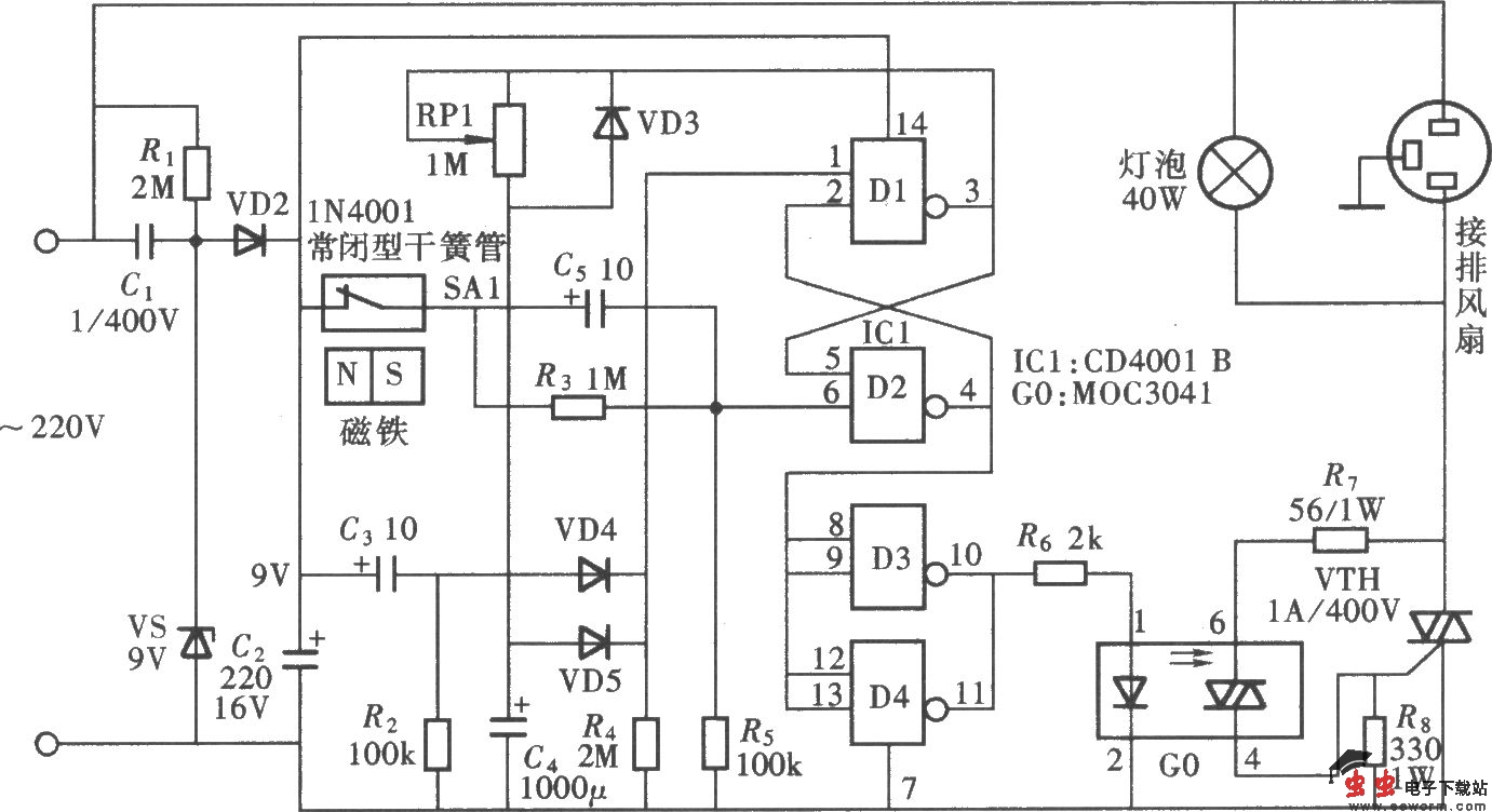
由CD4001组成的卫生间门控照明排气开关

📅 发布时间:2013-10-02 13:55 👁️ 浏览:0 🏷️ 标签: 4001 CD 门控 照明

由CD4001组成的卫生间门控照明排气开关

有些楼房的卫生间被设计为无窗型结构,既不能采集自然光,又不能自然通风,因此常设有排风扇。该控制开关采用门控方式,当有人进入时,由门控开关将灯和排气扇自动打开,延时一定时间后自动关闭,使用十分方便,电路如图所示。电路采用一只四一二输入端或非门 CD4001,用其中的两个门Dl、D2组成一个不可再触发式单稳态延时电路,其延时时间长短由RPl的阻值和C4的电容量决定。由另外两个门D3、D4并联后作为反相器和放大器用。

觉得这篇文章有帮助吗?