用CD4013组成的触摸式电源开关

📅 发布时间:2013-10-02 13:30 👁️ 浏览:0 🏷️ 标签: 4013 CD 触摸式 电源开关

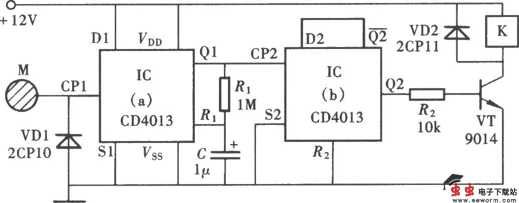
用CD4013可以组成触摸开关,只要用手触摸一次开关即可接通,再触摸一次开关断开,其电路如图所示。

用CD4013组成的触摸式电源开关

觉得这篇文章有帮助吗?