用CD4013组成的防抖动开关

📅 发布时间:2013-10-02 13:15 👁️ 浏览:0 🏷️ 标签: 4013 CD 防抖 开关

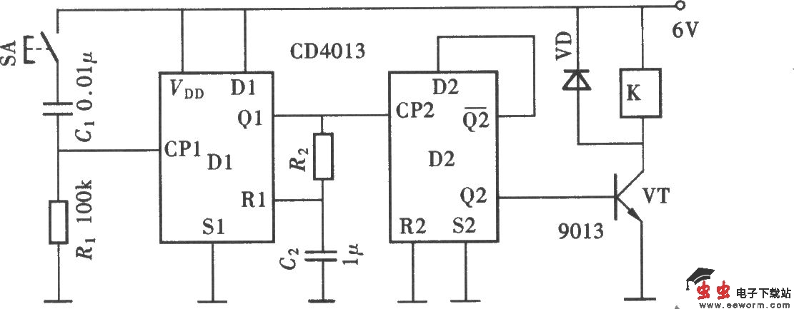
如图所示为用CD4013组成的防抖动开关电路。它利用双D触发器的一半组成双稳态控制电路,利用触发器的另一半组成单稳态延时电路,用一只CD4013组成一个功能完整的控制电路。

用CD4013组成的防抖动开关

觉得这篇文章有帮助吗?