用CD4017组成多路多态控制开关

📅 发布时间:2013-10-02 13:05 👁️ 浏览:1 🏷️ 标签: 4017 CD 多路 控制开关

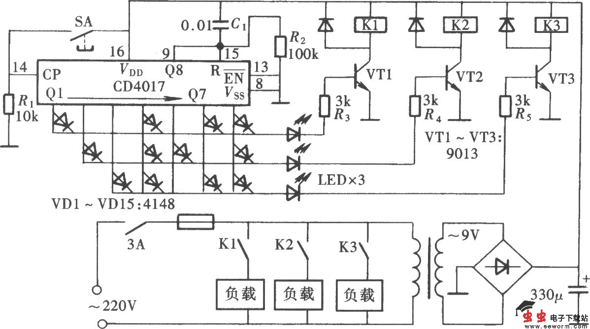
用CD4017组成的多路多态控制开关如图所示。该电路采用单按键控制,由八个计数输出端Ql~Q7通过由二极管矩阵组成的与门电路的控制,使三组被控电路形成八种工作状态,这对某些场合有一定的实用价值。

用CD4017组成多路多态控制开关

三路八态控制关系表:

用CD4017组成多路多态控制开关 

觉得这篇文章有帮助吗?