声控双工无线对讲机

📅 发布时间:2013-10-02 07:05 👁️ 浏览:0 🏷️ 标签: 声控 双工无线 对讲机

声控双工无线对讲机

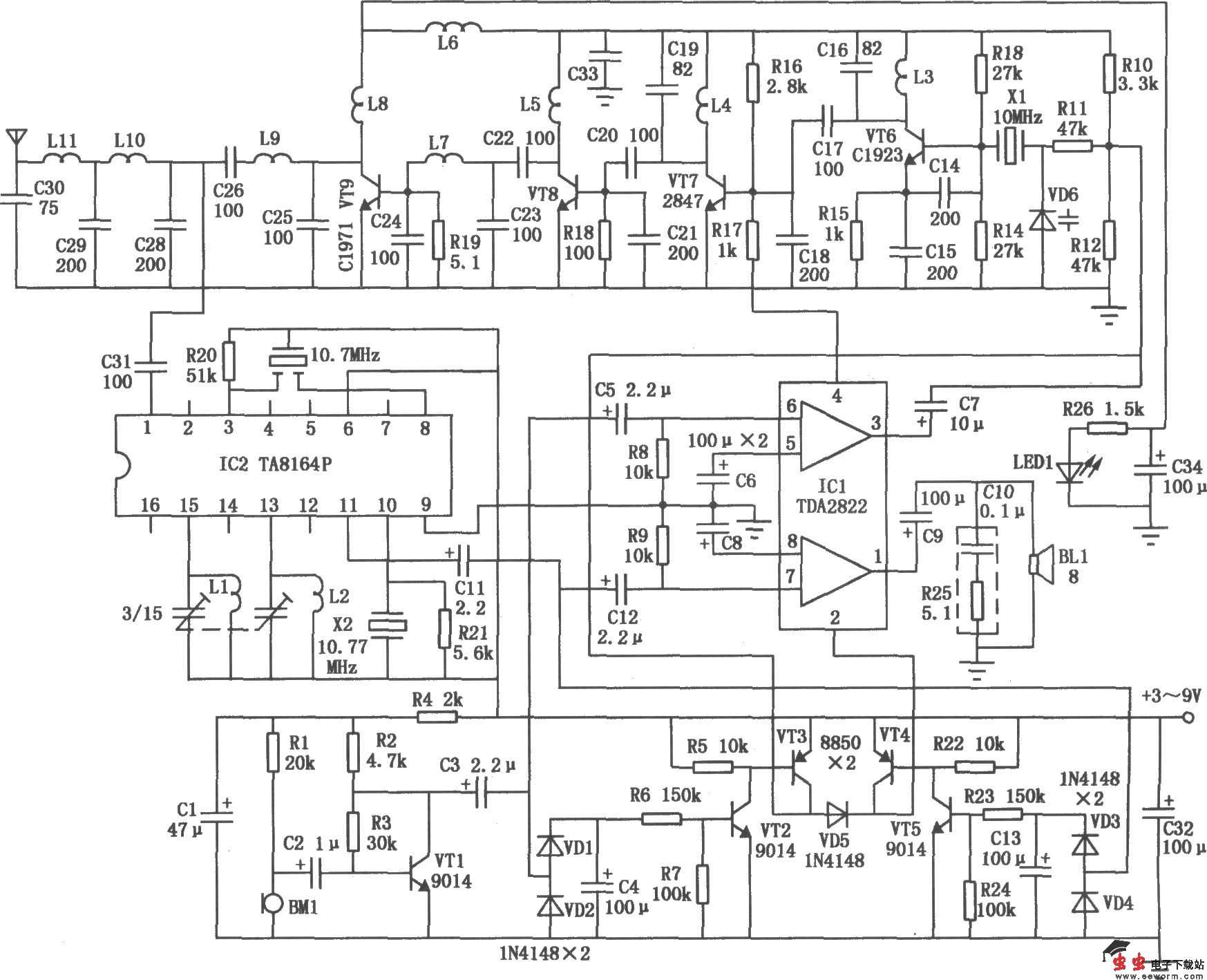
用本电路制作的无线对讲机为调频双工方式,工作频率为30MHz,采用声控电子开关,电路简单,方便节能。工作电压3~9V,发射功率1~5w。

声控双工无线对讲机分接收和发射两个相对独立的部分,天线匹配网络为发射与接收共用,具体电路如图所示。发射部分由话筒放大电路、电子开关、振荡与倍频电路、激励放大、功率放大以及天线匹配网络组成。接收部分由天线匹配网络、调频接收电路、电子开关和功放电路组成。

觉得这篇文章有帮助吗?