
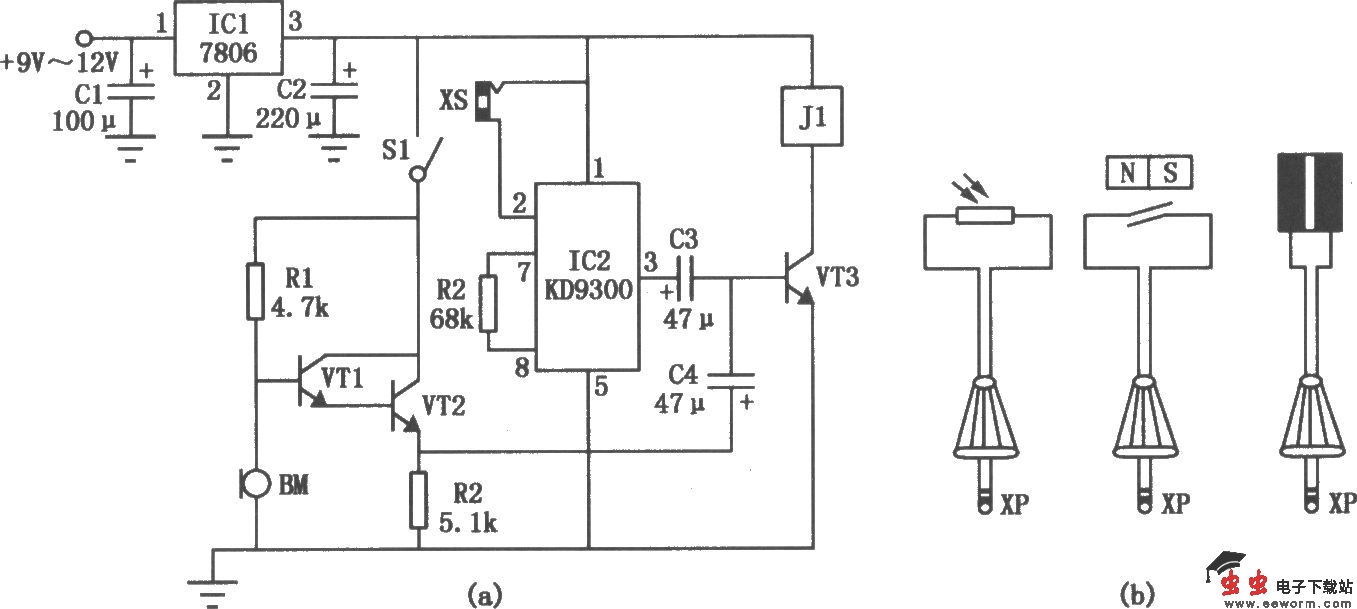
多功能控制器电路如图(a)所示。它可根据所接人的传感器的不同,实现声控、光控、磁控等多种控制方式。闭合开关S1电路便处于声控状态,这时若有声响发生,则声音信号通过驻极体传声器BM,三极管VTl、VT2放大电路放大,从VT2的发射极输出,再经耦合电容C4传给三极管VT3,使VT3导通,继电器Jl得电,实现对负载电路的控制。如想将电路用于其他控制传感器,如光控、磁控、湿敏传感器等,则只需断开开关S1,将接有相应传感器的插头XP插入插座XS中,当传感器感受到相关控制信号后,其阻值变小,使IC2音乐集成电路KD9300的触发端②脚得到正电压而振荡工作。由IC1③脚输出的音频信号经电容C3耦合,使三极管VT3导通,继电器Jl得电,控制负载电路工作。