珍宝文物防金属接近声光告戒电路

📅 发布时间:2013-10-02 04:20 👁️ 浏览:0 🏷️ 标签: 文物 声光 金属 电路

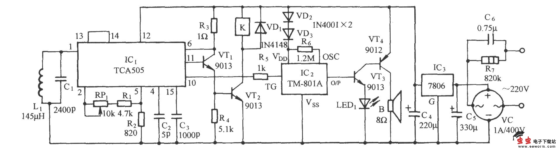
珍宝文物防金属接近声光告戒电路

电路如图所示。它由电磁感应式接近开关、继电器控制电路、口哨模拟发声电路和交流降压整流电路等组成。本电路可用于博物馆、文物或珍宝藏室的防盗。当有窃者使用金属器物撬门、开柜时,电路将自动发出告警的口哨声并通过启动继电控制电路将照明灯启亮或接通摄像等设备的电源,进行照明或摄(录)像。

觉得这篇文章有帮助吗?