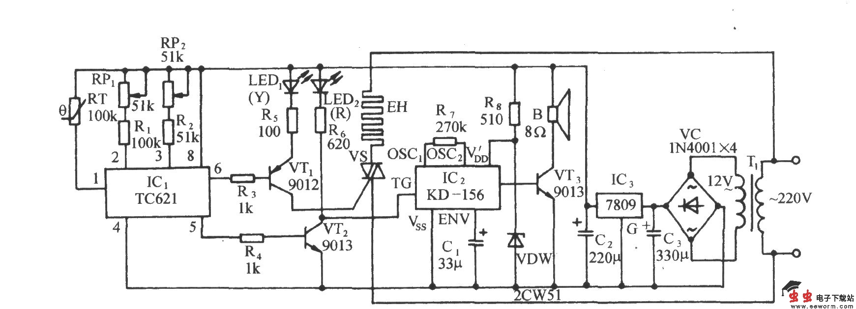
采用TC621的自动调温电暖炉电路

📅 发布时间:2013-10-02 04:15 👁️ 浏览:0 🏷️ 标签: 621 TC 自动调温 电暖

采用TC621的自动调温电暖炉电路

如图所示电路,它由温控开关电路、可控硅触发控制加温电路、乐曲发声电路和交流降压整流电路等组成。该电路温控范围宽、线路简单、温控效果好、无机械触点、安全可靠,可方便地设置上限和下限温度。可广泛应用于家庭浴室,畜、禽育养房等场合。

觉得这篇文章有帮助吗?