
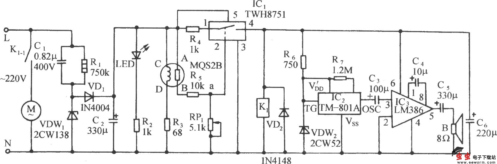
电路如图所示。它由有害气体传感器、功率开关、继电器控制排气扇电路、“呕吐”发声电路、音频功放电路和交流降压整流电路等组成。当周围环境中的有害气体或烟雾达到一定浓度时,排气扇将被自动开启向外排气,并发出“呕吐”声,以引起人们的注意。MQS28是一种对有害气体和烟雾十分敏感的气体传感器。在周围环境洁净情况下,器件的A,B极间的电阻较高(约10kΩ),与R5,RP1分压后,其a点的电压远低于启动IC1的开启电压1.5V,IC1呈关闭状态。当环境中的有害气体或烟雾达到一定浓度时,MQS28的A,B端的阻值急剧下降,a点的电压足以开启IC1开关管的电压,IC1导通,为后级电路提供了工作电压源。