禽舍温度过高自动降温控制及蛙鸣报叫电路

📅 发布时间:2013-10-02 01:55 👁️ 浏览:2 🏷️ 标签: 温度 控制 自动 电路

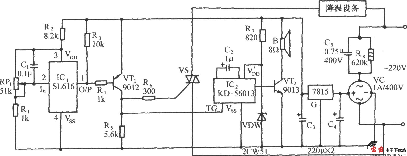
禽舍温度过高自动降温控制及蛙鸣报叫电路

如图所示电路,它由温度低限控制开关、可控硅触发控制降温电路、模拟声报叫电路和交流降压整流电路等组成。当室内温度高于设定的温限时,降温设备将自动启动,同时,模拟发声电路发声报叫,告知值班人员因温度过高应降温了。

觉得这篇文章有帮助吗?