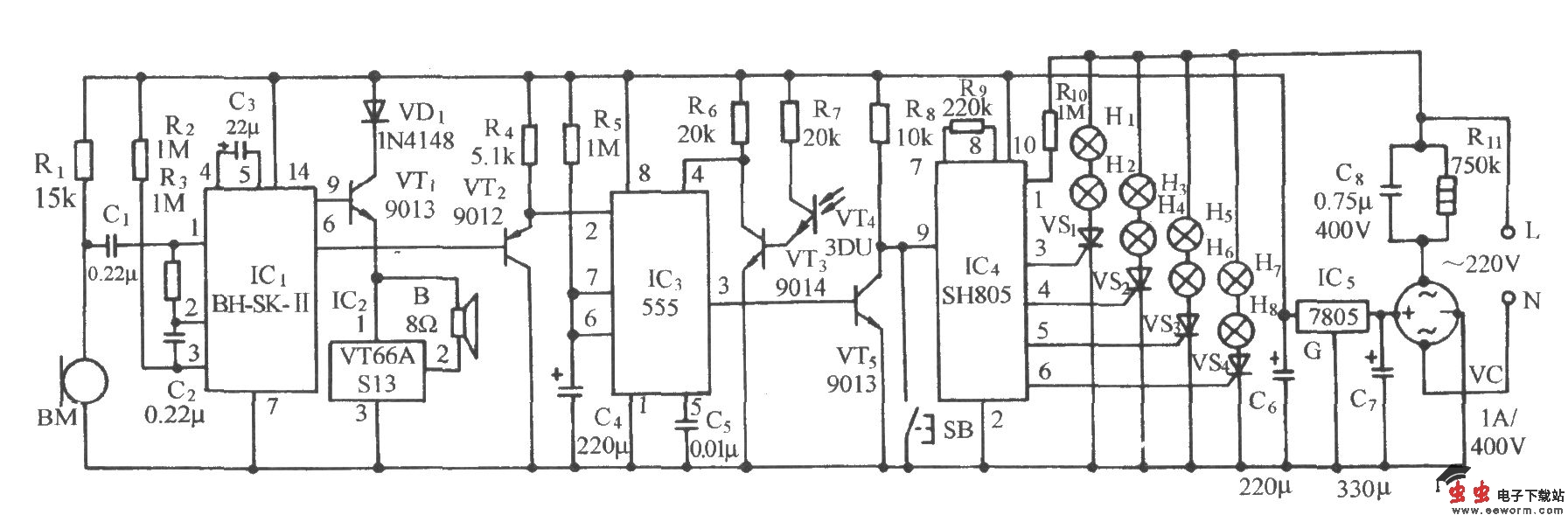
采用SH805的声光双控彩灯伴乐曲发声电路

📅 发布时间:2013-10-02 00:40 👁️ 浏览:0 🏷️ 标签: 805 SH 声光双控 发声

采用SH805的声光双控彩灯伴乐曲发声电路

如图所示电路,它由声控开关、光控开关、单稳态定时电路、彩灯控制电路和乐曲发声电路等组成。该灯控电路有16种功能程序,可实现自动变换,绚丽多彩,其控制方式是声、光双控,白天不会点亮,入夜方可进行声控。在彩灯闪烁的同时,还伴有悦耳的圆舞曲乐声。

觉得这篇文章有帮助吗?