
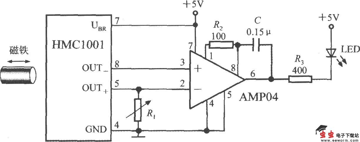
如图所示为由HMC1001和运算放大器(AMP04)及发光二极管(LED)构成的接近开关电路。运算放大器在这里作为比较器使用。将长度约为6mm~12mm的磁铁移近HMC1001,当移到一定位置时,MR电桥的输出电压就达到30mV,使比较器翻转,输出变成低电平使LED发光。若移开磁铁,比较器就输出高电平使LED熄灭。显然,该电路就相当于带指示灯的接近开关,可用来检测位移、转速等非电量。调节R1的电阻值能设定开关的阈值电压。

如图所示为由HMC1001和运算放大器(AMP04)及发光二极管(LED)构成的接近开关电路。运算放大器在这里作为比较器使用。将长度约为6mm~12mm的磁铁移近HMC1001,当移到一定位置时,MR电桥的输出电压就达到30mV,使比较器翻转,输出变成低电平使LED发光。若移开磁铁,比较器就输出高电平使LED熄灭。显然,该电路就相当于带指示灯的接近开关,可用来检测位移、转速等非电量。调节R1的电阻值能设定开关的阈值电压。