
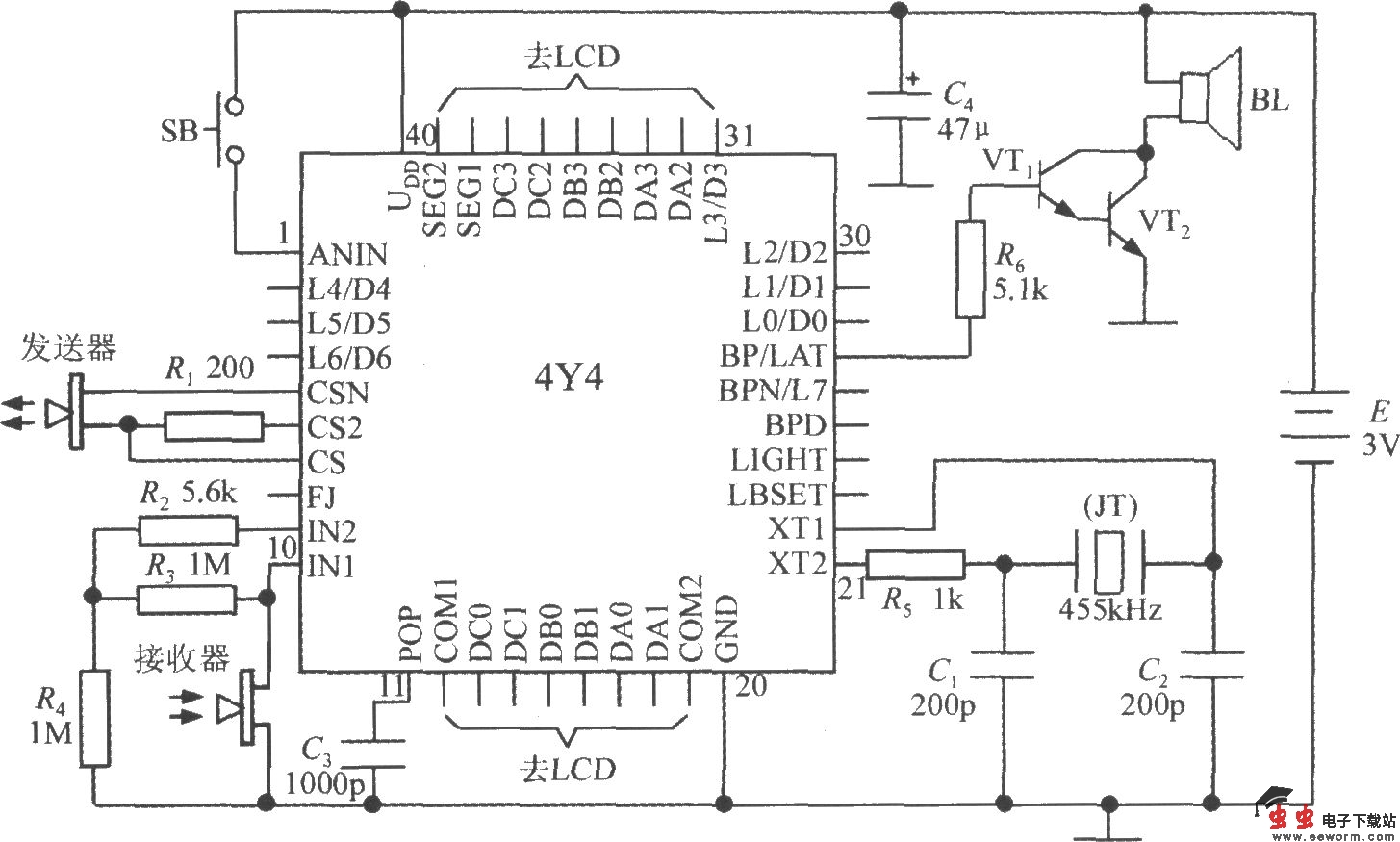
由4Y4构成单片液晶显示测距仪的电路如图所示。该仪表主要包括超声波发送器、接收器、LCD显示器、按钮开关和蜂鸣器(或扬声器),为了简化引线,4Y4直接焊在LCD显示板的背面。4Y4的第2~4脚、第8脚、第23~26脚和第28~30脚不用。R1为发送电路的限流电阻。R2~R4为接收放大器的外部元件。C3为开机自动复位电容。晶振电路采用廉价的455kHz压电陶瓷滤波器来代替石英晶体(JT),C1和C2为振荡电容。SB为按钮开关。C4为电源退耦电容。4Y4只能驱动压电陶瓷蜂鸣器或微型讯响器,为了驱动扬声器,还需要增加~级达林顿管(VT1、VT2)作为功率放大使用。R6为VT1的限流电阻。根据实际需要,4Y4还可接外部发送电路或接收电路。例如,密封防水型超声波探头的灵敏度只有普通探头的1/10,不加外部收发器时只能测量50cm的距离,增加扩展电路后可提高接收灵敏度,满足水下测距的特殊要求。