
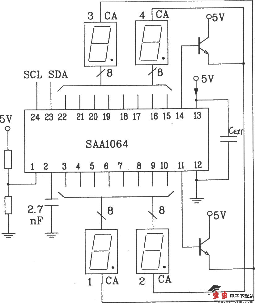
SAA1064串行I2C总线LED显示驱动集成电路动态驱动接口电路
由于SAA1064的动态扫描显示是依靠片内的多路开关数据锁存器及时钏控制电路,以主器件不必介入,因此使用动态工作方式最能发挥SAA1064的功能潜力,是最常用的工作方式。图中LED的位号与数据操作格式中的段选数据顺序对应。CEXT为时钟振荡电容,它保证动态驱动用的工作信号。MX1、MX2为显示器人公共极驱动信号输出端。动态扫描时MX1、MX2的定时波形见图所示。

SAA1064串行I2C总线LED显示驱动集成电路动态驱动接口电路
由于SAA1064的动态扫描显示是依靠片内的多路开关数据锁存器及时钏控制电路,以主器件不必介入,因此使用动态工作方式最能发挥SAA1064的功能潜力,是最常用的工作方式。图中LED的位号与数据操作格式中的段选数据顺序对应。CEXT为时钟振荡电容,它保证动态驱动用的工作信号。MX1、MX2为显示器人公共极驱动信号输出端。动态扫描时MX1、MX2的定时波形见图所示。