
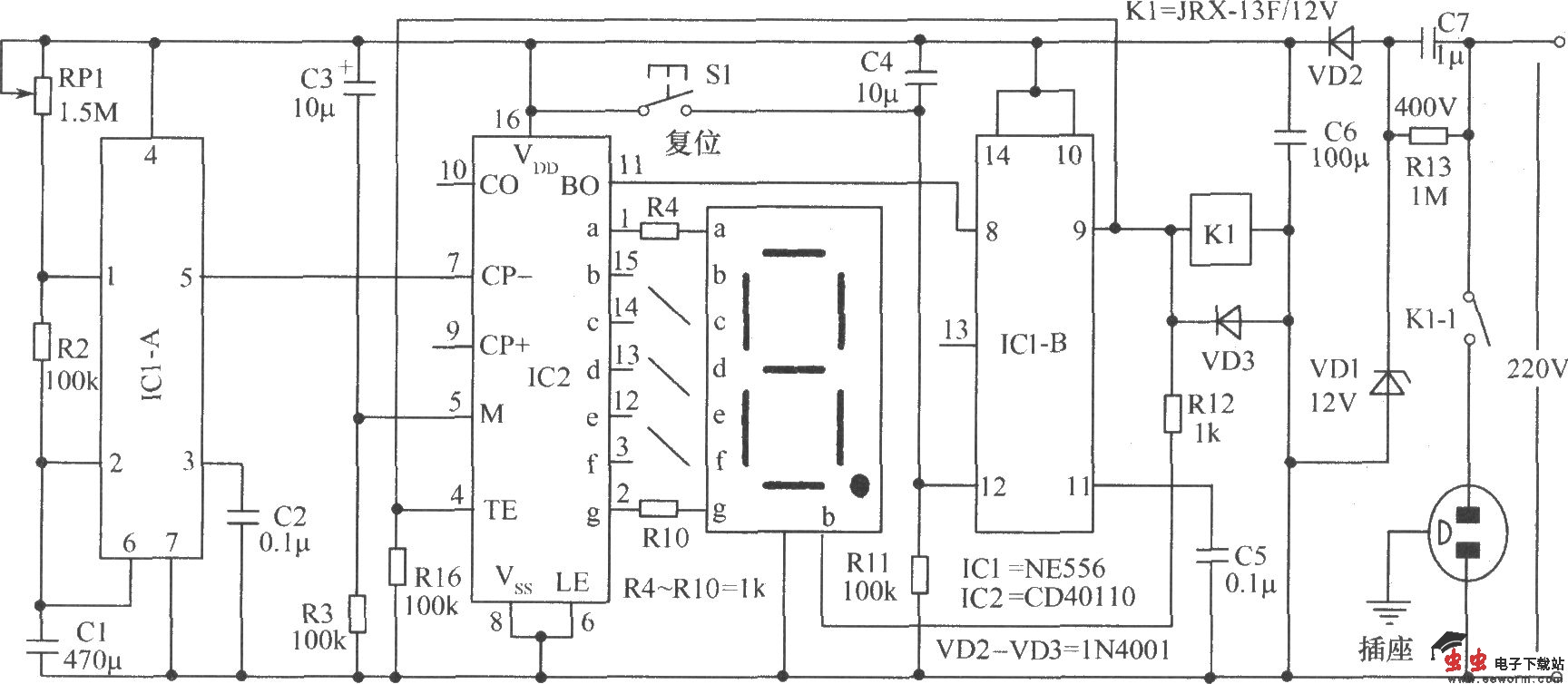
新颖的定时开关电路除具有一般定时电路的“可变定时”调整功能以外,还具有“倒计数显示”功能,该功能可随时显示出电路剩余的“定时时间”,因此特别实用。整个电路结构简单,制作容易,使用方便,适合在多种场合安装使用。IC1的型号为NE556(也可以使用两片NE555芯片代替)。IC2的型号为CD40110。数码管应采用共阴型高亮度数码管。C1用耐压为400V、容量为1μF的油浸式电容器。K1用吸合电压为12V的JRX-13F型继电器(为提高触点容量,可以将两组常开触点并联使用)。RP1选用0.5W~1W的带柄电位器。S1选用单刀按键开关。其余元器件如图所示。