笔者购得一个四编码遥控调光开关(以下简称遥控开关),它有以下特点:1. 可以通过手动或遥控器来控制电灯的开/关与调光。2. 用一个遥控器可遥控室内不同安装位置的四个接收器。3. 每路接收器独立控制电灯,输出功率可达700W。4. 具有亮度记忆功能,每次开灯,电灯都保持前一次关灯时的亮度。5. 可以直接代替普通开关而不必更改室内布线,使用非常方便。但此遥控开关无电路图,笔者根据实物绘出了电路图,现提供给广大电子爱好者制作或维修时参考。
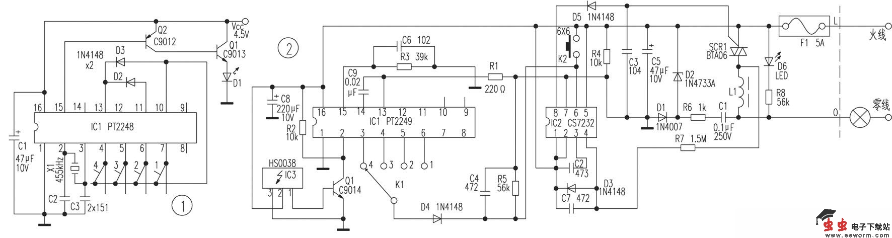
1. 遥控发射电路。发射电路见图1。它由通用红外编码遥控发射集成电路PT2248组成。其振荡端已内附500kΩ电阻,只需外接陶瓷滤波器或LC串联谐振电路便能产生振荡使电路工作,图1中X1为455kHz陶瓷滤波器。PT2248的~脚、~脚构成键盘矩阵,本遥控开关只用了其中的四个键,并标有数字1、2、3、4,分别控制四只接收器。控制信号由脚输出,经Q2、Q1放大后驱动红外发射二极管D1向外发射遥控信号。
2. 遥控接收电路。遥控接收电路见图2。IC3及Q1组成红外接收及前置放大电路,IC3选用通用红外接收头HS0038,它在电路中起接收红外信号,并对信号进行放大、检波、滤除38kHz载频等作用。
IC1为通用红外接收解码集成电路PT2249。应用时,只需在其振荡输入脚外接并联的RC,即可产生振荡使电路工作。由IC3输出的红外遥控信号经三极管Q1放大后输入到IC1的输入端脚,IC1内部电路先对输入信号进行整形,然后再进行数据检验、用户码检验、出错检验等。经检查正确后,相应的输出端变为高电平。IC1的~脚为信号输出端,本电路只用了其中的四个输出端,并标有数字1、2、3、4,分别用波段开关K1进行转换。只有当遥控发射器按键的数字和遥控接收器波段开关的数字相同时,遥控信号才对调光电路起作用。
IC2为专用调光集成电路CS7232。由IC1输出的信号经波段开关K1,二极管D4输入到IC2的高电平信号输入端脚,用以控制其输出端脚的触发脉冲信号,经二极管D5控制双向可控硅SCR1的导通角及开/关。当遥控发射器送来的指令信号时间小于0.32秒时,IC2控制SCR1实现开关功能,而当遥控发射器送来的指令信号时间大于0.32秒时,IC2控制SCR1实现调光功能,即灯光由亮到暗,再由暗到亮作循环式调光,循环一周的时间约为8秒,当调到满意的亮度时松开按键即可。图2中R7为IC2的脚提供同步信号。C7滤除尖脉冲干扰。C2为PLL滤波电容。D5为双向可控硅SCR1提供触发信号。K2为手动控制开关,其控制作用与遥控发射器按键的控制作用相同。
C1、R6、D1、D2、C5构成电容降压、整流、滤波、稳压电路。D6、R8构成电源指示电路,当遥控开关处于关断状态时,D6点亮,接通时D6熄灭。
本遥控开关适合用来改装家庭、办公室、宾馆、酒店等场所的灯光设备。笔者将厅房里的吊灯改用此遥控开关控制,效果很好。
