新颖红外遥控开关电原理图

📅 发布时间:2013-09-27 16:45 👁️ 浏览:0 🏷️ 标签: 红外遥控 开关 原理图

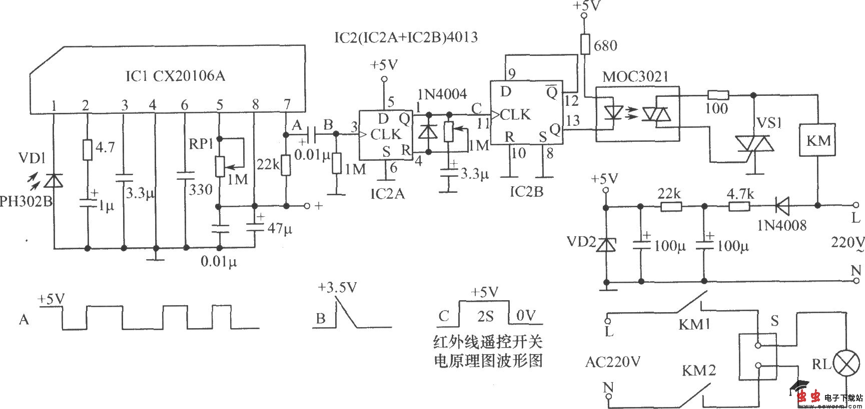
新颖红外遥控开关电原理图

红外线遥控装置因体积小、功耗低、功能强、成本低、方便实用而得到广泛的应用,尤其是在家用电器上普遍采用这一技术。在高压、射线辐射、有毒气体、粉尘等工业环境中采用红外线遥控不但安全可靠而且还能有效地隔离电磁干扰。如图所示为新颖红外遥控开关电路。彩电、录像机、空调器等红外线遥控发射器发出的信号均为脉冲编码调制信号,所不同的是指令编码的格式、信号的载波频率不同,这里我们所关心的不是具体编码指令,而是解调后的第一个指令脉冲。在如图所示的原理图中,由红外线遥控器发出的载波频率为(30~60)kHz的红外遥控指令信号,被红外接收二极管PH302B接收,转变为微弱的电信号,经IC1(CX20106A)放大、滤波、解调后在IC1的7脚输出遥控指令码脉冲。因此可通过调节IC1的5脚电位器RP1(1MΩ)的电阻值来达到接收由不同红外线遥控发射器发出的不同载波频率的红外遥控信号。用示波器在CX20106A的7脚对多种家用电器的红外线遥控器发出的红外线遥控指令信号进行观察分析后发现:对一些红外线遥控器发出的信号,因载波频率不同,需调节其5脚的电位器阻值后其7脚才有低频的解调指令脉冲码输出,解调后脉冲信号的持续时间约在1s左右,用这一信号去触发D触发器构成的单稳态触发器,单稳态时间为2s,这样就保证了只对解调后指令脉冲信号的第一脉冲的上升沿有响应。因此也就保证了能接收任何红外线遥控器发出的遥控指令,IC2A输出时间为2s的高电平,用这一高电平去触发由IC2B构成的T计数器,T计数器的输出控制光电耦合器MOC3021内部的双向二极管导通后,使双向晶闸管VS1导通,导致中间继电器KM线圈得电吸合,从而使AC220V交流电源通过中间继电器常开触点KM1、KM2的闭合而送至插座S,给受控的用电装置供电。当再接收到红外线遥控指令后,T计数器的状态翻转,经光电耦合器MOC3021控制后使双向晶闸管VS1关断,中间继电器KM释放,交流电源与插座S断开,停止对受控装置供电。

觉得这篇文章有帮助吗?