无线遥控开关电路(四)

📅 发布时间:2013-09-27 15:40 👁️ 浏览:0 🏷️ 标签: 无线遥控 开关电路

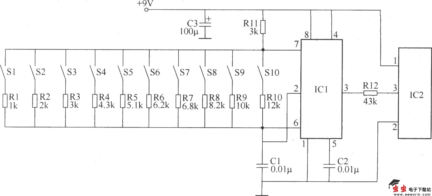
本例介绍一款10路无线遥控开关,它用一只10路无线遥控发射器来控制10只无线接收控制器,具有遥控距离远(大于10m)、抗干扰能力强、无方向性、不受墙壁阻挡等特点,可用千家庭灯具的遥控(可在室内任意位置遥控每一个房间照明灯的亮与灭)。 该无线遥控开关电路由无线遥控发射器电路和无线遥控接收控制器电路组成。 无线遥控发射器电路由可控变频振荡器和无线遥控发射电路组成,如图所示。

无线遥控开关电路(四) 

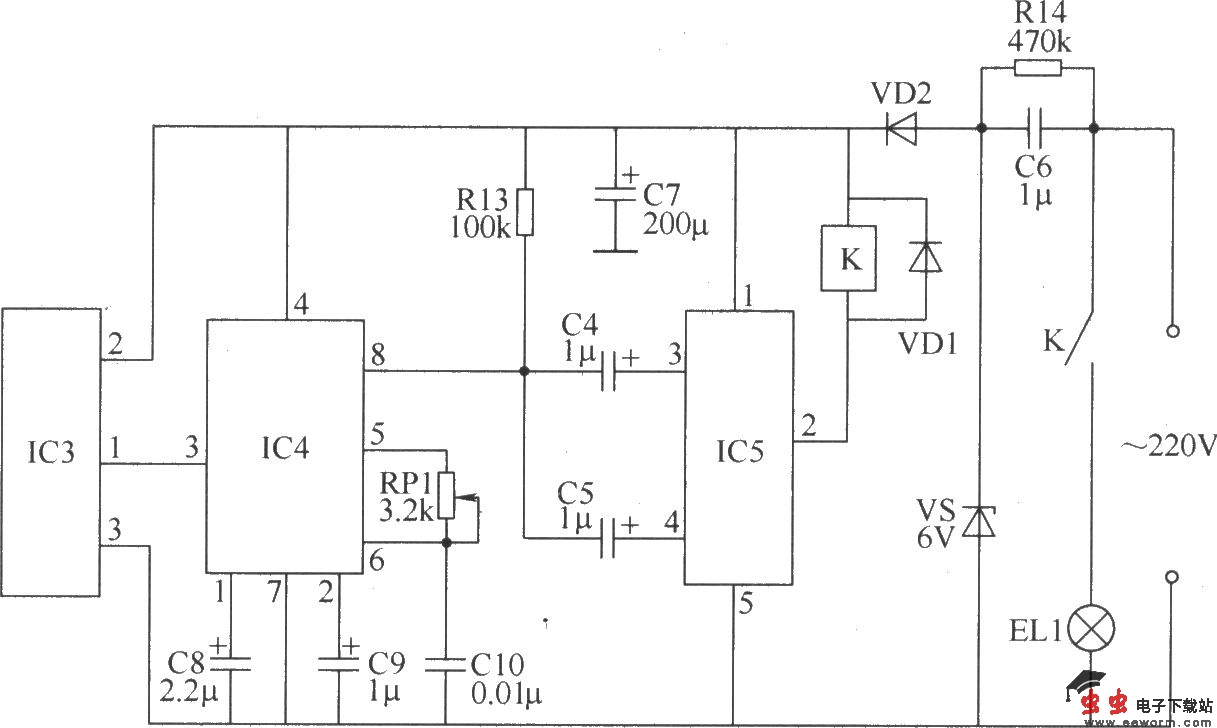
无线遥控发射电路 无线遥控接收控制器电路(10)由无线遥控接收电路=锁相环译码器、控制执行电路和电源电路组成。

无线遥控开关电路(四) 

无线遥控接收控制电路 元器件选择 R1~R14选用1/4W碳膜电阻器或金属膜电阻器。 RP1选用WSW型有机实心微调电阻器。 C1、C2和C10均选用独石电容器;C3~C5和C8、C9均选用耐压值为16V的铝电解电容器;C7选用耐压值为25V的铝电解电容器;C6选用耐压值为400V的涤纶电容器或CBB电容器。 VD1和VD2均选用1N4007型硅整流二极管。 VS选用1W、6.2V的硅稳压二极管。 IC1选用NE555型时基集成电路;IC2选用TDC1808型无线遥控发射集成电路模块;IC3选用TDC1809型无线遥控接收集成电路模块;IC4选用LM567型音频锁相环译码器集成电路;IC5选用DM21型双稳态驱动集成电路模块。 K选用6V直流继电器。 S1~S10选用微型动合(常开)按钮。

觉得这篇文章有帮助吗?