无线遥控开关电路(七)

📅 发布时间:2013-09-27 15:30 👁️ 浏览:0 🏷️ 标签: 无线遥控 开关电路

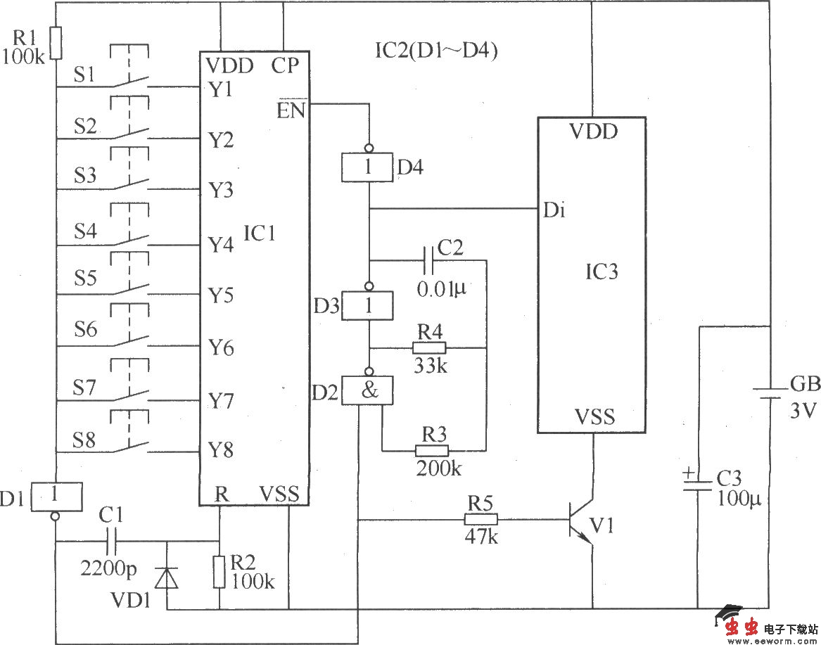
本例介绍的无线遥控开关,具有元器件易购、制作成本低、无干扰等特点,可用于各种吊灯的控制。它能随意遥控吊灯的工作状态,使吊灯中某一灯点亮或熄灭;使吊灯内所有灯均点亮或均熄灭;使吊灯内各色白炽灯顺序循环点亮,产生流水灯效果。 该无线遥控开关电路由无线遥控发射电路和无线遥控接收控制电路两部分组成c 无线遥控发射电路由脉冲编码电路和无线发射电路组成,如图所示。

无线遥控开关电路(七) 

无线遥控发射电路

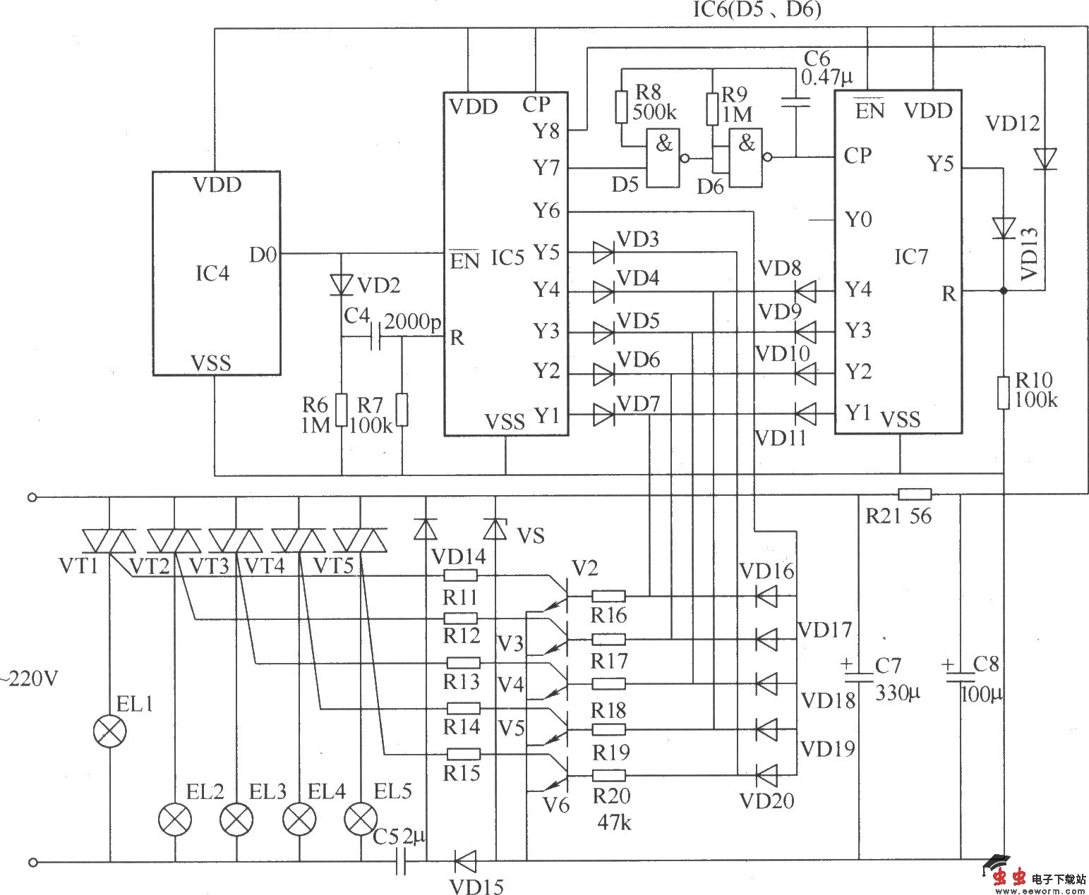
无线遥控开关电路(七) 

无线遥控接收控制电路 元器件选择 R1~R20选用1/4W碳膜电阻器或金属膜电阻器;R21选用1/2W的金属膜电阻器。 C1和C4选用高频瓷介电容器;C2和C6均选用独石电容器;C3和C7、C8均选用耐压值为16V的铝电解电容器;C5选用耐压值为400V以上的CBB电容器。 VD1~VD13和VD16~VD20均选用1N4148型硅开关二极管;VD14和VD15均选用1N4007型硅整流二极管。 VS选用1W、6.2V的硅稳压二极管。 V1~V6选用S9013或C8050、S8050、3DG9013、3DG8050型硅NPN晶体管。 VT1~VT5均选用TLC336A(3A、600V)型双向晶闸管。 IC1、IC5和IC7均选用CD4017或CC4017型十进制计数/脉冲分配器集成电路;IC2和IC6均选用CD4011或CC4011型四与非门集成电路;IC3选用T630型无线电发射集成电路;IC4选用T631型无线电接收集成电路。 S1~S8均选用微型动合(常开)按钮。 GB使用两节5号电池。

觉得这篇文章有帮助吗?