KD-12F构成256路式功能遥控接收、接收应用电路图

📅 发布时间:2013-09-27 13:40 👁️ 浏览:0 🏷️ 标签: 256 KD 12 遥控接收

KD-12F构成256路式功能遥控接收、接收应用电路图 

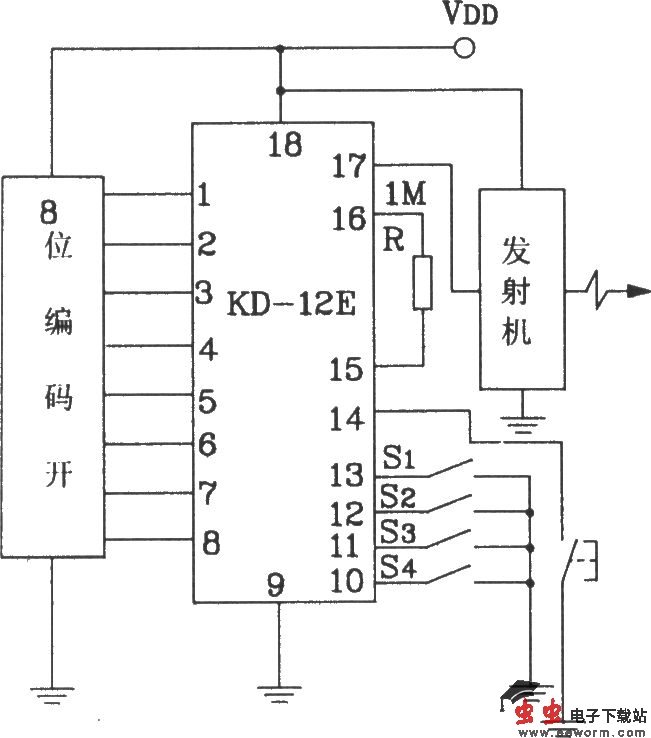
KD-12E构成256路多功能遥控发射应用电路

KD-12F构成256路式功能遥控接收、接收应用电路图 

KD-12F构成256路式功能遥控接收应用电路 256路多功能遥控发射/接收电路每一路通过对S1~S4编码开关的不同设置还可实现16种不同的控制功能。

觉得这篇文章有帮助吗?