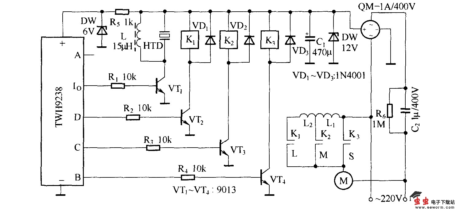
台式电扇的调速通常总是采用琴键式互锁开关通过控制电感器抽头的接入或断开来实现的。如果用遥控电路通过继电器的控制、改变电感抽头的接入或变更,可达到与琴键开关相同的作用,实现遥控调速。该无线遥控电扇调速器的遥控发射电路采用成品电路组件TWH9236,图中未画出。遥控接收电路采用TWH9238,其中数据输出端A空闲不用。输出端Io通过放大器VT1驱动压电蜂鸣器HTD,用来发出声响表示换挡操作成功。输出端B、C、D分别通过驱动管VT4、VT3和VT2驱动继电器K3、K2、K1,用来接通或断开调速电感的抽头K1、K2和K3,实现换挡调速。
