电动单梁吊车遥控器

📅 发布时间:2013-09-27 08:00 👁️ 浏览:2 🏷️ 标签: 电动单梁 吊车 遥控器

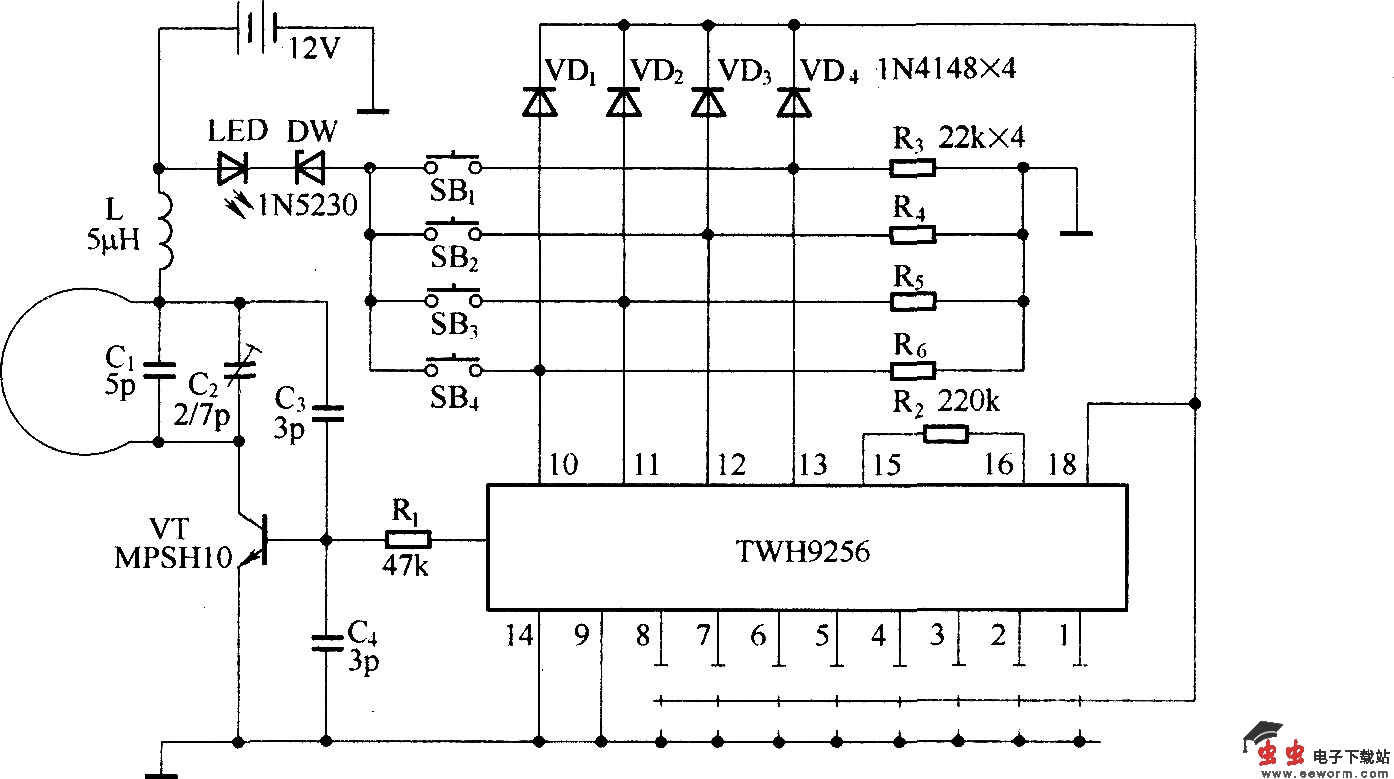
电动单梁吊车又称电动葫芦,是工厂里常用的小型起重搬运设备,通常总是采用拖线开关操作,很不方便。该电路用无线电遥控组件TWH9236/38组成无线电遥控操作电路,如图所示。遥控发射器为成品件,即TWH9236,其内部原理图如下所示

电动单梁吊车遥控器

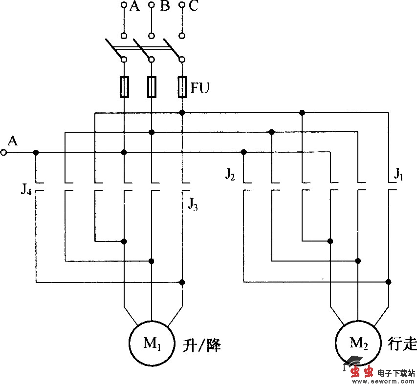
遥控接收控制电路如下所示:

电动单梁吊车遥控器

电动单梁吊车遥控器

觉得这篇文章有帮助吗?