无线遥控电扇调速器(RCM1A/RCM1B组成收发模块)

📅 发布时间:2013-09-27 06:45 👁️ 浏览:0 🏷️ 标签: RCM 无线遥控 收发模块 电扇

无线遥控电扇调速器(RCM1A/RCM1B组成收发模块)

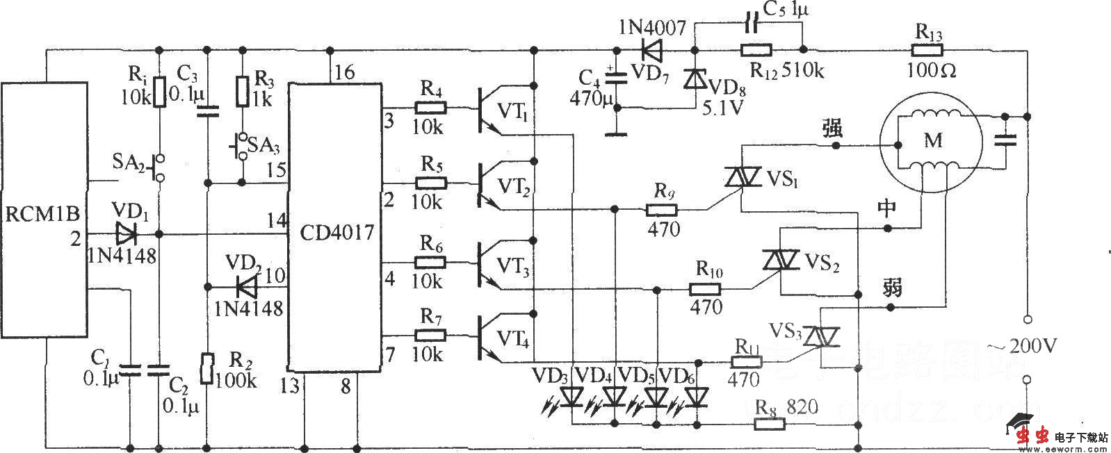
该调速器具有强、中、弱三挡风速,可通过无线遥控或手动轻触开关进行控制,可供按键式调速电扇和吊扇的改造使用。电路安装完成后即可连接电风扇电机,对于带有调速抽头的电机可直接按上图所示连接.对于采用调速电抗器调速的电机可按下图所示接线.

无线遥控电扇调速器(RCM1A/RCM1B组成收发模块)

觉得这篇文章有帮助吗?