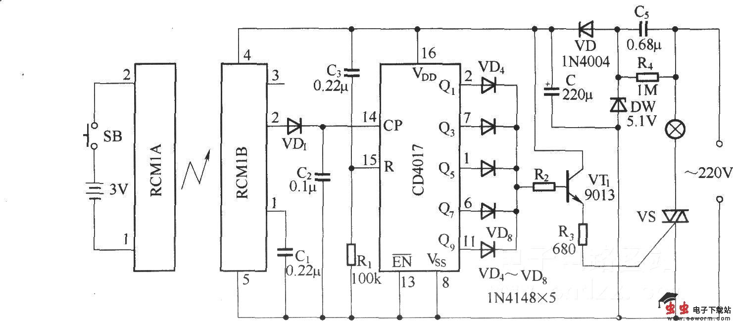
由RCM1A/RCM1B组成的无线电遥控照明开关

📅 发布时间:2013-09-27 06:15 👁️ 浏览:0 🏷️ 标签: RCM 无线电遥控 照明开关

由RCM1A/RCM1B组成的无线电遥控照明开关

RCM1A/RCM1B是一对微功耗超短波无线电遥控模块,遥控距离为8-15米.如图所示是由它组成的无线电遥控照明开关.它由发射器和接收器两部分组成,按一下发射器按纽,灯亮;再按一下按纽,灯灭.发射器电路采用RCM1A模块,使用3V电池供电;接收器电路由RCM1B、十进制计数器CD4017及可控硅开关电路等组成。

觉得这篇文章有帮助吗?