KL3型微波电子开关电路

📅 发布时间:2013-09-27 05:10 👁️ 浏览:0 🏷️ 标签: KL3 电子开关 电路

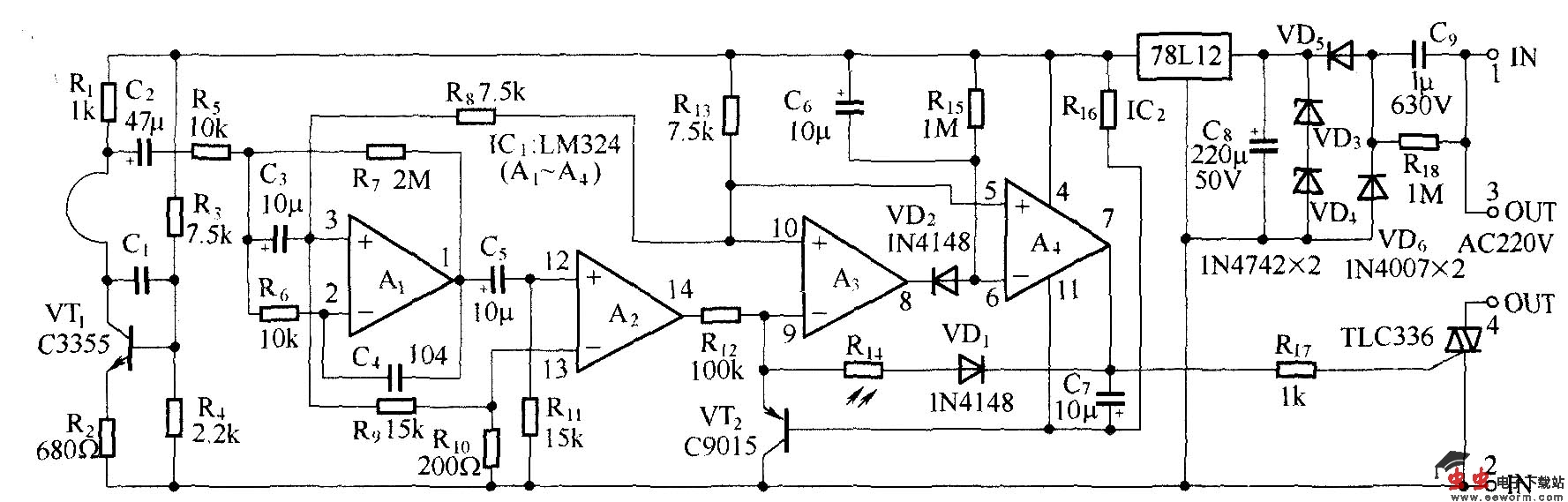
KL3型微波电子开关是利用电磁波多普勒效应原理制作而成的,整个电路封装在塑料壳中,外部有四条引线,其中两条红色引出线接交流220V电源,两条绿色引出线接被控负载,适合用于照明自动控制或防盗报警装置.

KL3型微波电子开关电路

觉得这篇文章有帮助吗?