雷达式节能灯座电路原理图

📅 发布时间:2013-09-27 04:55 👁️ 浏览:0 🏷️ 标签: 雷达 节能灯 电路原理图

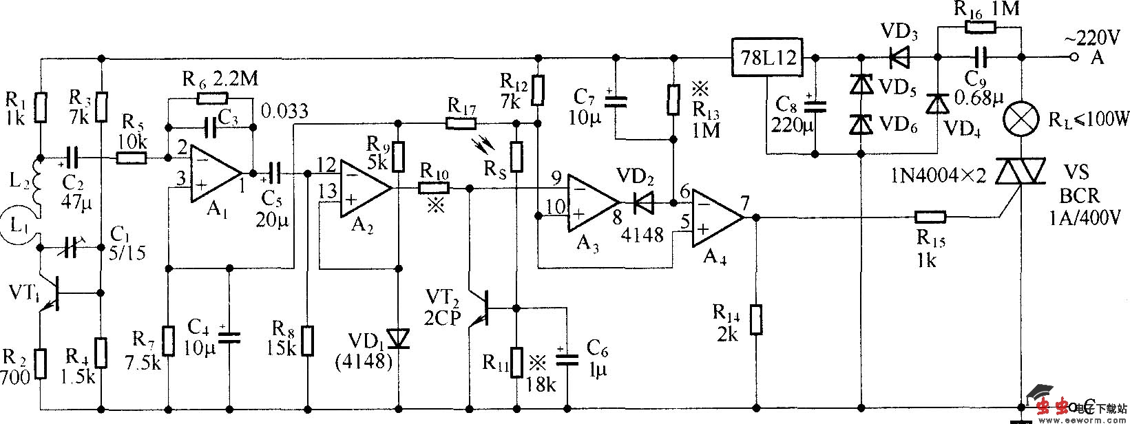
雷达式节能灯座实质上是一种人体微波传感开关.当有人走进有效范围内时,电灯自动点亮,延时一段时间后在自动关闭.如果人体一直在这个范围内活动,电灯持续点亮.雷达式节能灯还具有光控功能,使电灯只在晚上工作.如图是雷达式节能灯座电路原理图

雷达式节能灯座电路原理图

觉得这篇文章有帮助吗?