红外延时照明开关

📅 发布时间:2013-09-27 02:30 👁️ 浏览:0 🏷️ 标签: 红外 延时照明 开关

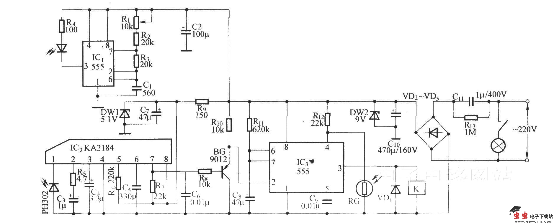
红外延时照明开关

KA2184为韩国生产的红外接收集成电路,其性能,参数和引脚功能与CX20106完全相同,可直接互换使用.

由于本电路采用红外线反射式电路结构,因此红外发射器与接收器需安装在同一方向的同一平面内,这就需使发射器与接收器成为一体化结构,并使用同一个电源供电。这种工作方式也正好适应该电路的长期待机、短时工作的工作状态。

在本电路中,由NE555电路组成的多谐振荡器作为红外发射管的驱动电路。

觉得这篇文章有帮助吗?