红外遥控多路开关控制器

📅 发布时间:2013-09-27 01:50 👁️ 浏览:1 🏷️ 标签: 红外遥控 多路开关 控制器

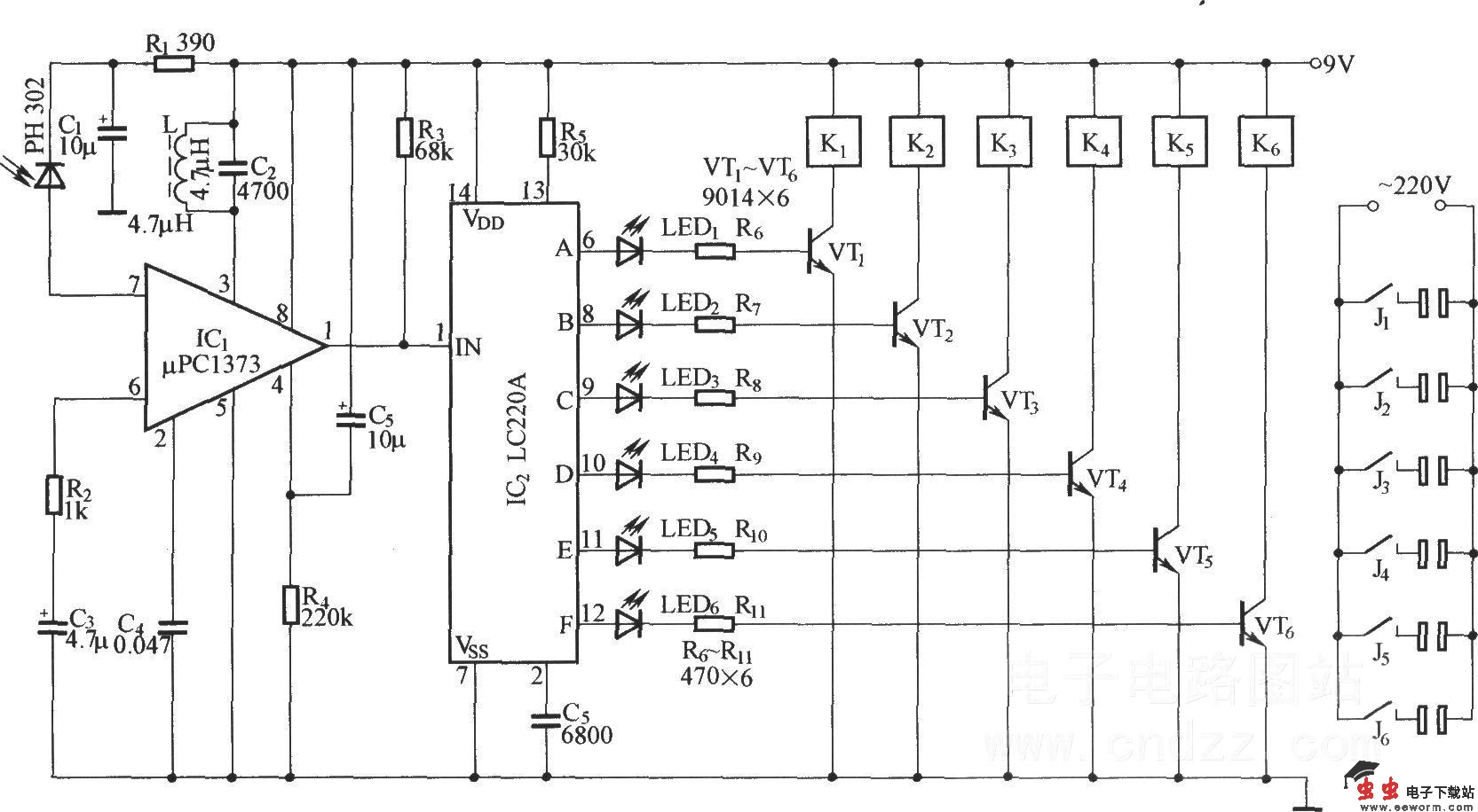
红外遥控多路开关控制器

该电路由红外接收解调电路,通道译码电路和继电器驱动电路组成.μPC1373是集成红外信号解调电路.

觉得这篇文章有帮助吗?