六路红外遥控开关电路

📅 发布时间:2013-09-27 00:50 👁️ 浏览:2 🏷️ 标签: 红外遥控 开关电路

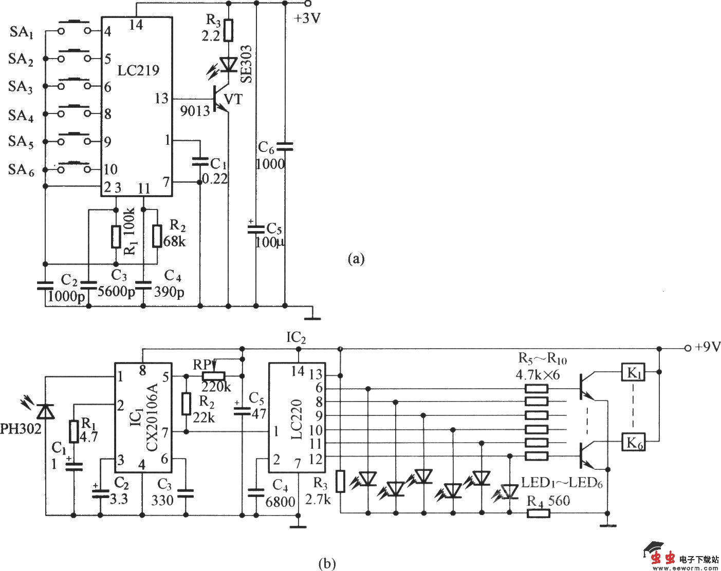
六路红外遥控开关电路

如图所示电路是用LC219/220组成的六路红外遥控开关电路,其中图(a)为遥控发射器电路图,图(b)为接收解码与控制电路图。

觉得这篇文章有帮助吗?