数字显示式光电计数器

📅 发布时间:2013-09-26 23:40 👁️ 浏览:0 🏷️ 标签: 数字显示 光电 计数器

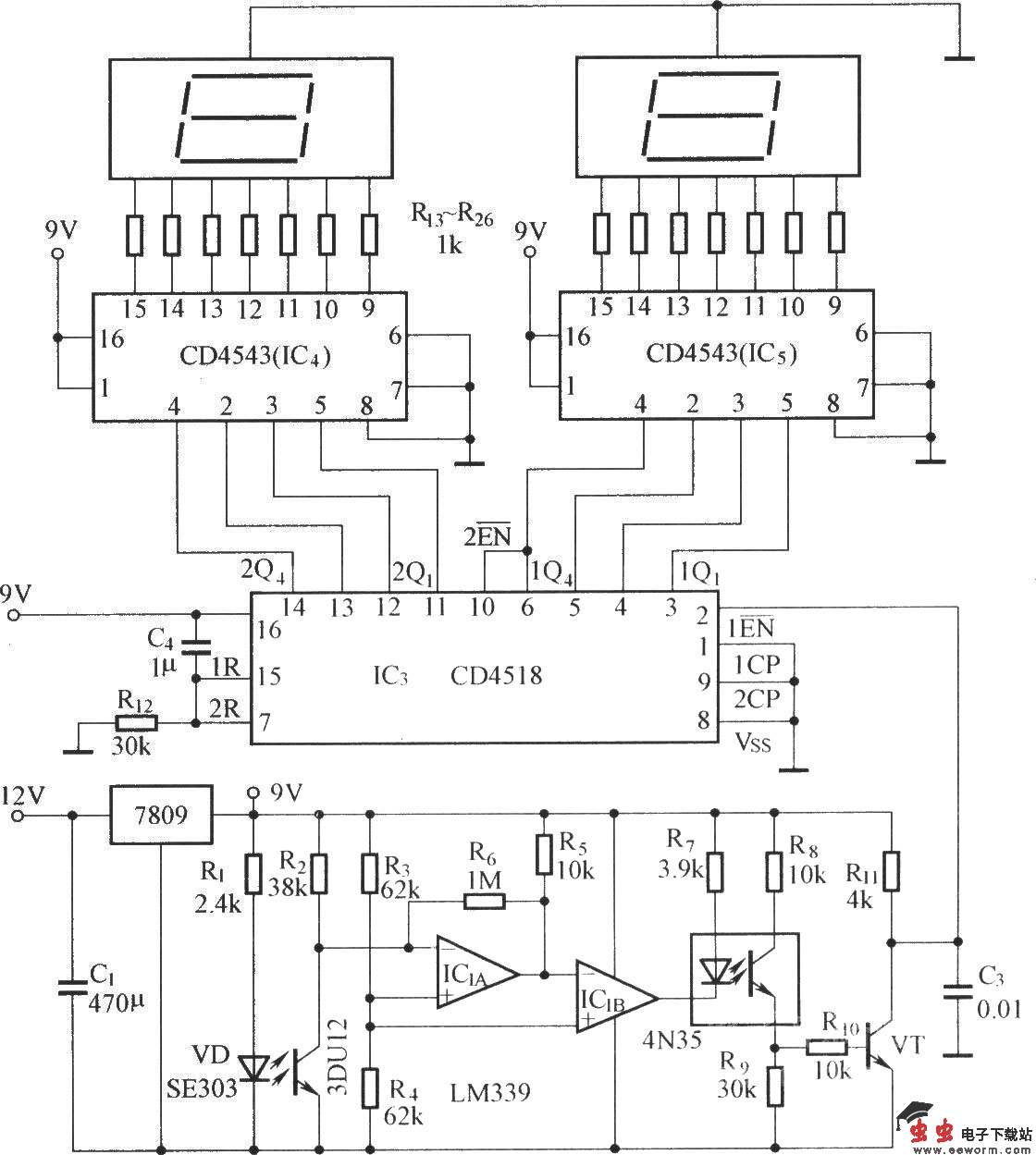
数字显示式光电计数器

该电路有光电输入电路(VD,3DU12),脉冲形成电路(IC1A,IC1B组成电压比较器;光电耦合器;晶体管开关电路)和记数与显示电路等组成.

觉得这篇文章有帮助吗?