超声波遥控开关电路

📅 发布时间:2013-09-26 22:15 👁️ 浏览:0 🏷️ 标签: 超声波 遥控开关电路

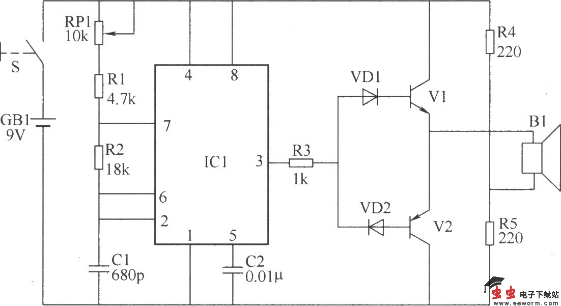
本例介绍的超声波遥控开关,其遥控距离在10m以上,可广泛应用于工业自动化控制及家用电器控制。 该超声波遥控开关电路由超声波发射器电路和接收器电路组成。 超声波发射器电路由控制按钮S、时基集成电路IC1、晶体管V1、V2、电阻器R1~R5、电位器RP1、二极管VD1、VD2、电容器C1、C2和超声波发射头B1等组成,如图所示。

超声波遥控开关电路 

超声波发射器电路 超声波接收器电路由超声波接收头B2、晶体管V3~V5、运算放大器集成电路IC2、继电器K、二极管VD3~VD5和电阻器R6~R15、电容器C3~C5、电位器RP2等组成,如图所示。

超声波遥控开关电路 

超声波接收器电路 元器件选择 R1~R15选用1/4W碳膜电阻器或金属膜电阻器。 RP1和RP2选用小型电位器或密封式可变电阻器。 C1选用高频瓷介电容器;C2~C5选用独石电容器或涤纶电容器。 VD1~VD5均选用1N4148型硅开关二极管。 V1、V3和V4均选用S9014型硅NPN晶体管;V2和V5选用S9015型硅PNP晶体管;V6选用S9013或C8050型硅NPN晶体管。 IC1选用NE555或5G1555型时基集成电路;IC2选用µA741或CA3140、LF351等型号的运算放大集成电路。 B1选用T40型超声波发射头;82选用R40型超声波接收头。 K选用通用型9V直流继电器,其触头容量可视受控电器的功率而定。

觉得这篇文章有帮助吗?