亚超声遥控开关电路(一)

📅 发布时间:2013-09-26 21:40 👁️ 浏览:0 🏷️ 标签: 遥控开关电路

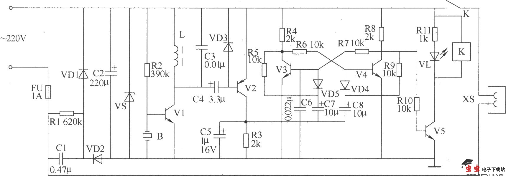
本例介绍的亚超声遥控开关,采用压气式亚超声笛(用橡胶制成,有橄榄形和扁圆形)控制。使用时用手捏一下亚超声笛,遥控开关即接通;再捏一下亚超声笛,开关则关闭。该亚超声遥控开关可用来控制照明灯、排风扇及一些小型用电设备。 该亚超声遥控开关电路由电源电路、亚超声控制电路、双稳态触发器和控制执行电路组成,如图所示。

亚超声遥控开关电路(一) 

亚超声遥控开关电路 元器件远择 R1选用1/2W金属膜电阻器;R2~R11选用1/4W碳膜电阻器或金属膜电阻器。 C1选用耐压值为400V的涤纶电容器或CBB电容器;C2、C4、C5、C7和C8均选用耐压值为16V的铝电解电容器;C3和C6均选用独石电容器。 VD1和VD2均选用1N4007型硅整流二极管;VD3~VD5均选用1N4148型硅开关二极管。 VS选用1W、9V硅稳压二极管。 VL选用φ3mm的绿色发光二极管。 V1、V3和V4均选用S9018型硅NPN晶体管;V2选用S9015或3CGl20型硅PNP晶体管;V5选用C8050或3DG8050型硅NPN晶体管。 K选用9V直流继电器,其触头电流容量可根据负载的功率而定。若控制100W以下的照明灯,则可选用4098型继电器。 B选用φ27mm的压电陶瓷片,使用时应加助声腔。

觉得这篇文章有帮助吗?