亚超声遥控开关电路(二)

📅 发布时间:2013-09-26 21:55 👁️ 浏览:0 🏷️ 标签: 遥控开关电路

本例介绍的亚超声遥控开关,能单独控制两路负载,且其发射器为电子式,而不使用皮腔式发射器。 该亚超声遥控开关电路由亚超声发射器电路和亚超声接收器电路组成。 亚超声发射器电路由时基集成电路IC1、控制按钮S1、S2、电位器RP1、RP2、电阻器R1、R2、电容器C1`、C2、晶体管V1和亚超声发射传感器B1组成,如图所示。

亚超声遥控开关电路(二) 

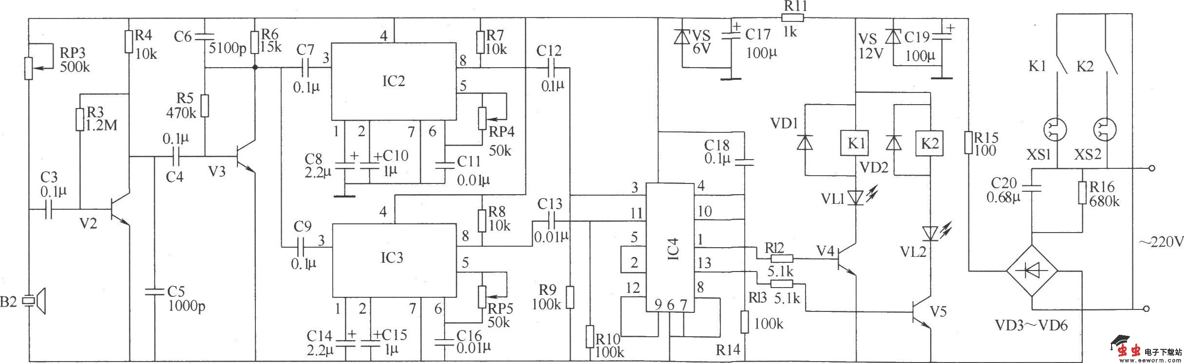
亚超声发射器电路 亚超声接收器电路由亚超声接收传感器B2和输入放大电路、音频解调电路、双稳态电路、控制执行电路和电源电路组成,如图所示。

亚超声遥控开关电路(二) 

亚超声接收器电路 元器件选择 R1~R10、R12~R14选用1/4W碳膜电阻器或金属膜电阻器;R11和R15均选用1/2W金属膜电阻器。 RP1~RP5均选用密封式可变电阻器。 C1~C7、C9、C12、C13、C16和C18选用独石电容器或涤纶电容器;C8、C10、C14、C15和C17均选用耐压值为16V的铝电解电容器;C19选用耐压值为50V的铝电解电容器;C20选用耐压值为630V的CBB电容器。 VD1和VD2均选用1N4148型硅开关二极管;VD3~VD6均选用1N4007型硅整流二极管。 VS1选用1W、6V的稳压二极管;VS2选用1W、12V的稳压二极管。 V1选用S9013或3DG9013型硅NPN晶体管;V2和V3均选用S9014型硅NPN晶体管;V4和V5选用S8050或C8050、3DG8050型硅NPN晶体管。 IC1选用NE555型时基集成电路;IC2和IC3均选用LM567型锁相环音频***集成电路;IC4选用CD4013型双D触发器集成电路。 K1和K2均选用12V直流继电器。 B1和B2均选用带助声腔的压电陶瓷片。

觉得这篇文章有帮助吗?