DTMF编码多路红外遥控开关电路

📅 发布时间:2013-09-26 19:00 👁️ 浏览:4 🏷️ 标签: DTMF 编码 多路 红外遥控

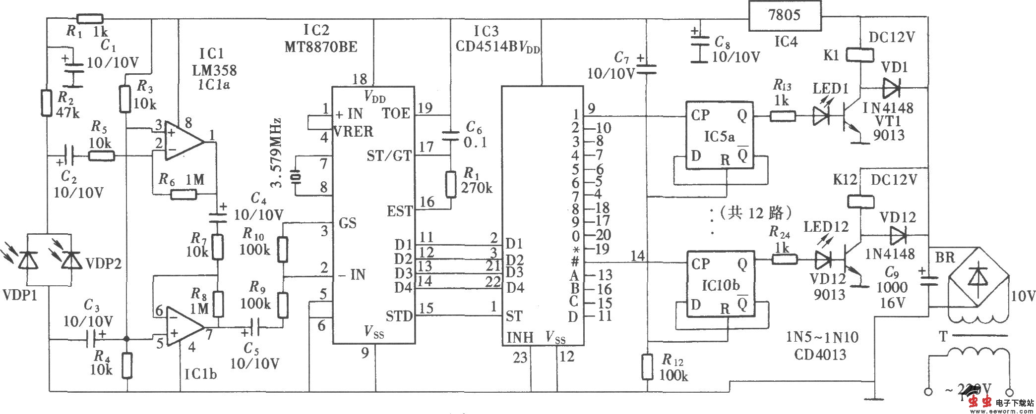
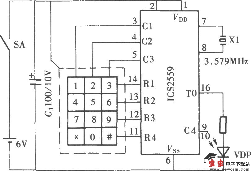
DTMF编译码是双音多频编译码的简称。由DTMF编译码器组成的多路红外遥控开关电路如图所示。它由红外遥控信号发射器、红外信号接收放大器、DTMF信号译码器、十二路数据译码分配器和电路开关控制器等组成。

DTMF编码多路红外遥控开关电路

DTMF编码多路红外遥控开关电路 

觉得这篇文章有帮助吗?