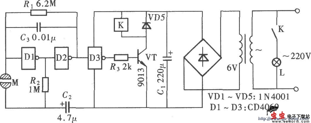
由CD4069构成的触摸式台灯开关电路

📅 发布时间:2013-09-25 22:15 👁️ 浏览:0 🏷️ 标签: 4069 CD 触摸式 台灯开关

由CD4069构成的触摸式台灯开关

一般的触摸式台灯开关是用专用集成电路组成,它除了能作开关外,还具有调光功能,但电路结构较为复杂。本触摸开关采用一只CD4069组成,虽然只有开、关两个功能,但电路简单,制作简单,电路组成如图所示,由CD4069中的三个门Dl、D2和D3组成开关控制电路,用一只继电器K和一只驱动管VT组成开关执行电路。

觉得这篇文章有帮助吗?