由CD4022组成的卫生间自动照明开关电路

📅 发布时间:2013-09-25 22:20 👁️ 浏览:0 🏷️ 标签: 4022 CD 自动照明 开关电路

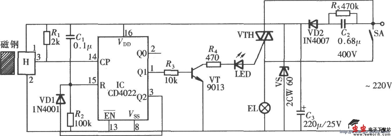
由CD4022组成的卫生间自动照明开关

如图所示的卫生间自动照明开关采用门控方式,当有人进入时,门被打开一次,照明开关被接通,电灯亮。当出门时门再被打开一次,开关断电灯灭。电路组成如图所示。电路由霍尔开关、八进制计数、脉冲分配器CD4022与双向晶闸管VTH等组成。

觉得这篇文章有帮助吗?