袖珍电子定时催眠按摩器

📅 发布时间:2013-10-10 04:35 👁️ 浏览:1 🏷️ 标签: 电子 定时 催眠 按摩器

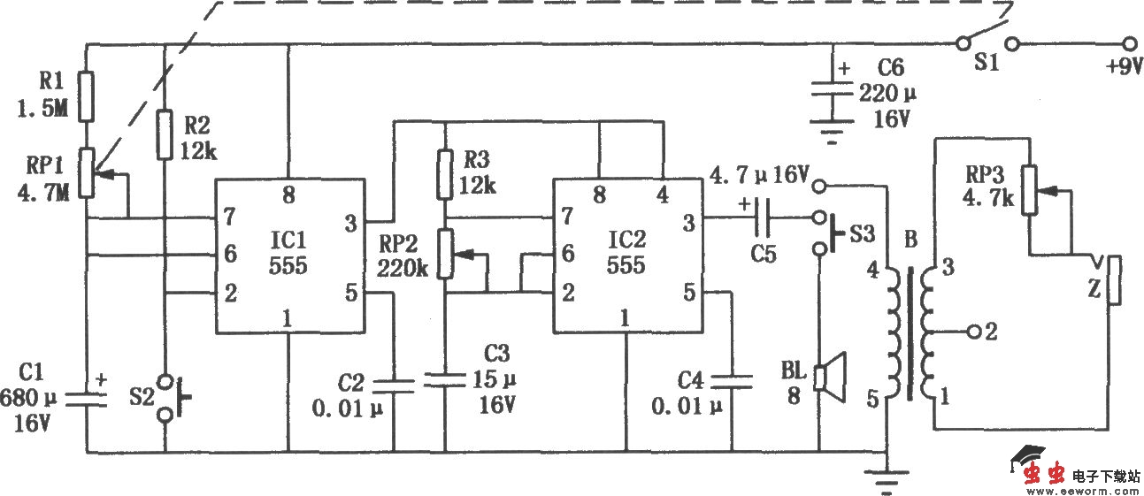
如图所示是用两块555定时器组成的袖珍电子定时催眠按摩器电路,可满足人们休闲保健需要。电路由三部分组成:定时器电路、催眠器电路、按摩器电路。

觉得这篇文章有帮助吗?